Content

Editorial

14th NCB International Seminar on Cement­ and Building Materials

The profile of the 100 year old Indian cement industry, the second largest producer of cement in the world, with a global share of about 7 %, is quite impressive. More than 98 % of capacity is of modern dry-process technology, comprising about 188 cement plants. Installed capacity and production in the year 2015 was about ...

more

Spotlight

04.11.-05.11.2015 DORTMUND/GERMANY

Solids 2015 sets new exhibitor record

By mid-July, four months before the expert trade show for granules, powders and solids technologies is scheduled to open, 425 companies had already...

more

Products

DONALDSON

Cost-efficient solution for fine particulates ­emissions and explosion safety

PowerCore ® technology developed by Donaldson provides optimum preconditions for highly efficient dust filtration in, for example, the cement and building materials industries. This new technology succeeds in cutting emissions of fine particulates (“dust”) and reducing the gas volume of the dust collectors critical for explosion safety simultaneously. Donaldson installations featuring PowerCore ® technology are up to 70 % smaller...

more

Plant report

FLSMIDTH/MANIKGARH CEMENT

New pyro system and cement mills for Manikgarh Cement

Manikgarh Cement Limited, owned by India’s BK Birla Group of Companies, has successfully commissioned a three million t/a cement plant. The cement producer first announced its plans to build a brownfield integrated cement plant in 2010. ­Located in Gadchandur, a town in the Chandrapur District in the State of Maharashtra, Manikgarh Cement is a division of...

more

Markets and Trends

ONESTONE CONSULTING S.L.

Recovery of India’s cement industry

In recent years India’s cement demand has been much weaker than expected. However the signs are now indicating a recovery with a higher demand, higher production and higher utilization rates of the installed capacity. In this market review...

more

Process

WORLD BUSINESS COUNCIL FOR SUSTAINABLE DEVELOPMENT’S (WBCSD) CEMENT ­SUSTAINABILITY INITIATIVE (CSI)

Doing more with less: the cement sector using waste as a resource

Co-processing of waste materials for the purpose of energy or resource recovery has been an important topic in the cement industry for a long time. Publications and articles have been published to explain the rationale for co-processing. ...

more

Materials

Engineering

SIEMENS AG

The future is today

The Internet of Things – which is an essential part of the German initiative Industrie 4.0 – is synonymous with the digitalization of industrial processes. A core element is that process industries become more intelligent. Cement companies, too, can profit from technologies that increase digitalization and at the same time tackle the challenges facing the industry. ...

more

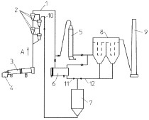
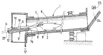
Patents

WO 2014/117783 A1

Roller press

(22) 04.02.2014 (43) 07.08.2014 (57) A roller press (1) is described for grinding of particulate material such as cement raw materials, cement...

more