Microstructure model of fresh cement paste in the presence of superplasticizer
The microstructure of fresh cement paste (FCP) in the presence of superplasticizer was investigated in this study. A Morphologi G3 microscope was applied to directly observe the microstructure of the FCP with the emphasis of the real organization structure of cement particles in the paste. Based on the microstructure characterization, the working mechanism of superplasticizer on the flowability of FCP was analyzed. Combined with the real microstructure of multi-sized cement particle suspension and the working mechanism of superplasticizer, the contents of different types of water in cement suspension and the volume fraction of solid phase were calculated. Finally, a generalized multi-scale microstructure model of FCPs at varied superplasticizer dosages and water to cement ratios was established, which was verified by the experimental results of yield stress of the FCPs.
1 Introduction
Flowability has been considered one of the important properties of fresh cement-based materials due to their essential roles in the construction process as well as their effects on the mechanical properties and durability of hardened ones. Basically speaking, the macroscopic flowability is primarily determined by the microstructure of the materials, e.g. the packing state and the contents of solid phase in the cementitious suspension systems etc. [1-3]. In the fresh cement paste (FCP), the agglomeration of cement particles immediately takes places upon the contact of cement to...
1 Introduction
Flowability has been considered one of the important properties of fresh cement-based materials due to their essential roles in the construction process as well as their effects on the mechanical properties and durability of hardened ones. Basically speaking, the macroscopic flowability is primarily determined by the microstructure of the materials, e.g. the packing state and the contents of solid phase in the cementitious suspension systems etc. [1-3]. In the fresh cement paste (FCP), the agglomeration of cement particles immediately takes places upon the contact of cement to water under the electrostatic interaction between cement particles [4, 5]. Various chemical admixtures e.g. superplasticizers are practically used to adjust the flowability of FCP through modifying the microstructure of FCP in terms of dispersing cement particles and releasing entrapped water [3, 6]. That is to say, it is the proper modification of the microstructure of FCP that is the key for achieving the desired fluidity of cement-based materials. This stimulated the interest of many researchers to investigate the microstructure of FCP.
Much research has been dedicated to study the microstructure of FCP by means of microscopy and granulometry techniques [7-10]. Optical and scanning electron microscopes have been widely used to observe the granular morphology and organization structure of cement particles as well as the morphology of hydrates [7-9]. Laser granulometry was applied in the quantitative analysis of the variation on the particle size of FCP when superplasticizer was added [9, 10]. On the other hand, the microstructure model of cement-based materials is poorly researched and only a few studies have been found in the literatures. Zhang et al [11] proposed multi-level flocculation structures of blank FCP. Flatt [12] stated a microstructure model of fresh concrete based on a homogenization approach. However, these models either fail to consider the effects of superplasticizer on the microstructure or lack of firm validations from experimental data.
In this study, the microstructure of FCP was directly observed using a Morphologi G3 microscopy. The effects of superplasticizer on the microstructure and the flowability of FCP were analyzed in detail. Based on the real microstructure of multi-sized particle suspension as well as the working mechanism of superplasticizer, a generalized multi-scale microstructure model of FCPs in the presence of superplasticizer was established and was verified by the experimental results of yield stress of FCPs.
2 Experimental
2.1. Materials
As reference cement PI 42.5 complying with the Chinese standard GB8076-2008 was used, whose composition is listed in Table 1. A self-synthesized polycarboxylate type superplasticizer was employed, which is an aqueous solution of copolymer of acrylic acid, methyl polyethylene glycol methacrylate and 2-acrylamido-2-methylpropane sulfonic acid with number average molecular weight Mn of 3.662×104 and a polydispersity index Mw/Mn of 2.48. Solid content of the superplasticizer solution is 40 %.
2.2 Test methods
2.2.1 Observation of microstructure
The observation for FCP at a mesoscopic scale is one of the most direct ways to analyze the microstructure of the FCP and further understand the variation of the rheological properties. Morphologi G3 (Malvern Instruments Limited, Malvern, UK) with high sensitivity and high resolution was employed to characterize the microstructure of the FCPs. To clearly observe the cement grains, a diluted FCP containing well-dispersed cement grains was prepared. First of all, three aqueous solutions with PCE mass concentration of 0 %, 0.1 % and 0.3 % were prepared, and then cement powder was introduced to the solutions with a mass ratio of 1:200 and mixed at a speed of 125 rpm for 2 minutes. 2 mL of the well-mixed cement suspension was taken and injected into a wet cell and was subjected to be observed instantly.
In the meantime of scanning the particles, the mean particle size of cement particles was provided. Different from the volume diameter of cement particles measured by means of laser granulometry, the particle size is defined by the diameter of an equivalent circle (CE diameter) having an area the same as the cement particle image.
2.2.2 Rheological tests
Fluidity and yield stress test were conducted to evaluate the rheological properties of cement pastes. In the FCPs, the mass ratios of superplasticizer to cement (Sp/C) were in the range of 0 to 2.0 % while the mass ratio of water to cement (W/C) varied from 0.15 to 0.5. The amount of water in the superplasticizer was included in the calculation of W/C. All the fresh cement pastes were prepared in accordance with the Chinese standard GB/T8077. Water and the superplasticizer solution were first added into a mixer, and then the cement was gradually introduced over a time span of 2 min into the mixer at 62 rpm. After a 10 sec interval, mixing was resumed for an additional 2 min at 125 rpm. The freshly mixed pastes were instantly subjected to the rheological measurements.
The fluidity of the FCPs was characterized by spread diameter in a mini-cone test, where a copper cone with top diameter of 36 mm, bottom diameter of 60 mm and height of 60 mm was used. After well mixed, the paste was poured into the cone and then, the cone was quickly lifted up. After the paste stopped flowing, the average value of four crossing spread diameters of the paste was recorded.
Yield stress was tested by using a rheometer (Brookfield RV-III, USA) where a bladed vane spindle was applied during the measurement. After well mixed, the fresh paste was immediately transferred into a 50 mL sample cell equipped in the rheometer. Afterwards, the spindle was dipped into the pastes and a stress-strain curve of the FCP under shear stress was recorded at a rotation speed of 2 rpm. The yield stress was finally obtained when the fresh paste started to yield.
3 Results and discussion
3.1 Microstructure of blank fresh cement paste
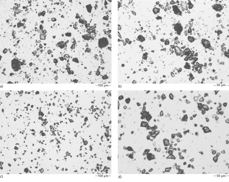
In a fresh cement paste, cement is one of two important components, which usually presents majorly agglomeration of cement particles rather than individual ones. As shown in Figure 1, cement particles of different sizes aggregate together and enwrap much water, as circled in Figure 1b. The whole structure with a blurry and spinous edge exhibiting an irregular shape of vesicle, is called flocculated structure, which contains an agglomeration of cement particles with multi-scaled size. For long, it has been realized that the formation of the flocculated structure originates from the electrostatic interaction between the cement particles. After the contact with water, cement grains begin to dissolve and hydrate, which produces numerous positive and negative charges on the cement surface and hence induces strong electrostatic interactions among the cement particles [6, 13]. The mean particle size of cement particles in blank FCP is 8.09 μm.
Mixing water, the other component in the FCP, is generally sorted into four categories (as schematically shown in Figure 2): the chemically bonded water (CW), which is the water in the form of hydrates and hydroxides as hydration products, the adsorbed water (AW) which corresponds to the physically bonded water on cement surface, the entrapped water (EW) in the flocculated structures and the free water (FW) which means the water could flow free in the system.
Fresh cement paste is usually considered as a solid-liquid suspension dispersion system, in which FW functions as the dispersion medium of the system while the other three types of water together with the cement particles including those in the flocculated structures and the individual ones constitute the dispersion phase of the system.
From the rheological point of view, the flowability of FCP is mainly dependent on the content of free water in the dispersion system, because the other three types of water function as solid phase. On condition that the FW content reaches a critical value, which is defined as CFW, FCP is able to flow and the flowability grows with the increase in FW content. Obviously, an increase of the W/C could result in the increment of the FW content in the paste and hence an increase in the flowability of FCPs, as shown in Figure 3. Moreover, it is noted from Figure 3 that the FCPs are hard to flow unless the W/C is higher than 0.33. The W/C of 0.33 is regarded as a critical W/C that is dependent on the cement type, below which the spread diameters of FCPs are lower than 80 mm and the pastes hardly flow.
3.2 Effect of superplasticizer
on the microstructure of FCP
It is well known that the added superplasticizer in the pastes disassembles the flocculated structures of cement particles and further facilitates better dispersion of cement particles in FCP due to the introduction of electrostatic repulsion and/or steric hindrance between cement particles [14, 15]. Figure 4 presents the significant changes on the microstructure of FCP by the addition of superplasticizer. It is clearly seen that many individual cement particles with clear edges and hard corners, associated with some flocculated structures, are well dispersed in the system. A higher superplasticizer dosage brings about flocculated structures with smaller size and evidently reduces their amounts in the meantime. The mean particle size of FCP respectively decreases to 4.53 and 3.86 μm in the presence of superplasticizer with mass concentration of 0.1 % and 0.3 %.
The disassembly of the flocculated structures releases much EW and the content of FW correspondingly increases. When the content of FW reaches CFW, the FCP starts to flow and the flowability increases with the growth of Sp/C, as shown in Figure 5. When Sp/C is larger than a certain dosage that is called the critical dosage (Dc), the flowability arrives at a maximum value and fails to change with further addition of superplasticizer. This suggests that all the flocculated structures are completely disassembled by the superplasticizer at Dc or only some strongly bonded flocculated structures are remaining in the system [16]. These strongly bonded flocculated structures are hardly influenced by the superplasticizer used in the study and may be destroyed by some superplasticizers with stronger dispersion capability.
On the other hand, it is noted from Figure 5 that in the case of W/C lower than 0.15, FCPs are hard to flow regardless of Sp/C, which suggests even if all the flocculated structures in the FCPs are disassembled, the content of FW in the paste is still lower than CFW. The lowest W/C of 0.15 is dependent on the superplasticizer type. Superplasticizer with a stronger dispersion capability will bring about a W/C lower than 0.15.
3.3 Microstructure model
3.3.1 Hypothesis and deduction
It has been proved by rheology theory that a suspension dispersion system fails to flow unless the volume fraction of solid phase f is lower than fM that denotes the volume fraction at geometrical maximum packing of solid phase [17-20]. If the solid phase in a suspension system is mono-sized spherical particles, the fM is 0.74. For poly-sized spherical particles, the fM typically falls between 0.8 and 0.94, which is mainly determined by the particle size distribution of solid phase [21, 22]. In the case of solid particles with irregular shape, the fM is lowered due to the overlapping of particles as well as the effects of long to diameter ratio of the particles [23]. Struble et al [24] found the fM was in the vicinity of 0.7 for the pastes with a superplasticizer and was a little higher than that for the blank pastes. This indicates that the addition of superplasticizer does not cause any significant changes on the particle size distribution of solid phase despite that the flocculated structures have been broken into dispersed cement particles. This is consistent with the microstructure results of FCP provided by the Morphologi G3 that the mean particle size of FCP decreases to 3.86 μm from the 8.09 μm of the blank one whereas the standard deviation of particle size distribution for FCP without and with superplasticizer are quite close, varying from 1.05 to 1.09. Therefore, it is acceptable if we assume the fM of all the FCPs in this study was 0.7.
Based on the assumption, the microstructure of FCP could be simplified as follow:
a. Since the hydration degree in the first few minutes is rather low, the content of HW could be neglected in the FCP. Thus, the dispersion phase in the FCP is composed of AW, EW, cement particles including the individual ones and those in the flocculated structures, while FW functions as the dispersion medium. The volumes of dispersion phase and dispersion medium are denoted as V1 and VFW, as shown in Figure 6.
b. When the dispersion phase is in the state of geometrical maximum packing, the pore volume among these packing particles Vpore could be obtained by the formula:
Vpore = V1 1 – fM fM ⇥(1)
c. If VFW > Vpore, the free water could not only fill the pore volume among the packing particles but also disperse these particles, which means the paste is able to flow.
Based on the discussions in section 3.1, it is believed that the FW plays a key role in affecting the rheological behavior of FCP. According to the origins of different types of water, it is hypothesized that the water in the FCP appears in the chronological order of AW > EW > FW when the W/C of the paste gradually ascends. Specifically, with the increase of W/C, the AW first appears and its content gradually grows. When the adsorption of water on the cement surface is saturated, the AW content reaches a maximum value. With the further increase of W/C, the EW emerges in the paste and its content ascends to a maximum value. After that, FW could be found in the FCP. Thus, the VFW could be calculated on the basis of the following two critical phenomena found in the flowability curves.
3.3.1.1 FCP-1 at W/C of 0.15 with overdosed
superplasticizer
In this case, the paste fails to flow, but a slight increase in W/C enables the paste to flow. This indicates that the VFW in the FCP-1 is close to Vpore. Due to almost all the flocculated structures having been completely disassembled in the presence of excessive superplasticizer expect for some strongly bonded ones, the dispersion phase in FCP-1 consists of all the cement particles, AW and remaining EW in the strongly bonded ones which is marked as REW. If the cement volume VC = mC/rC = 1, then
mFW ____ = VFW ≈Vpore = ( mc + mAW + REW ___ ________ ) · 1 – fM _____
{ rw rc rw fM⇥(2)
mFW + mAW + REW = mW = W __ C · mc = W __ C · rc
where W/C = 0.15, rc = 3.16 g/cm³, rw = 1.00 g/cm³, so we get mAW + REW =VAW + REW =0.03, mFW = VFW = 0.44 . Here, it needs to be emphasized that the AW reflects the adsorption capability of cement to water that is related with the cement type, so the maximum volume of AW is constant irrespective of W/C and Sp/C. On the other hand, the volume of REW is determined by the dispersion capability of superplasticizer. Superplasticizer with a stronger dispersion capability leads to a lower volume of REW. In this study, only one type of superplasticizer was used, so the volume of REW is fixed. Therefore, the maximum value of VAW+REW in any FCP will stay stable. Based on the assumption on the appearance order of three types of water, it is believed that the existence of FW in the FCP-1 indicates the AW content has already reached to the maximum value. Accordingly, it is concluded that the maximum value of VAW+REW is 0.03.
Furthermore, if all mixing water exists as adsorbed water, namely there is no EW and FW in the FCP, we get,
mAW = mW = W __ C · mc = 3.16 W __ C
{mAW + mREW = VAW +VREW ≤ 0.03 ⇥(3)
It could be deduced that W/C ≤ (0.03−VREW) /3.16 =
0.01−VREW/3.16. That is to say, once W/C is larger than 0.01, EW could be found in the FCP.
3.3.1.2 FCP-2 at W/C of 0.33 without
superplasticizer
In this case, the blank paste fails to flow but a slight increase in Sp/C or W/C enables the paste to flow. This indicates the VFW in FCP-2 is also close to Vpore. The dispersion phase in FCP-2 consists of all the cement particles including the individual ones and those in the flocculated structures, AW and EW. If the cement volume VC= mC/rC=1, then
mFW ____ rw = VFW ≈Vpore = ( mc + mAW + REW + mEEW ___ ________ ____ rc rw rw ) · 1 – fM _____ fM
{ ⇥(4)
mFW + mAW + REW + mEEW = mw = W __ C · mc = W __ C · rc
where mEEW denotes the content of the entrapped water that could have been released by the superplasticizer used in this study. The EEW and the REW constitute the EW in the FCPs. It is known that W/C=0.33 and mAW + REW = 0.03, we get mEEW =VEEW = 0.40, mFW =VFW = 0.61 from Eq. (4).
Similarly, the existence of FW in the FCP-2 suggests the contents of EW and AW have already arrived at the maximum value and their total mass is mAW + REW + mEEW = 0.61. In the similar way, if all mixing water is existing as adsorbed water and entrapped water, namely there is no free water in the paste, we have
mAW + mEEW + mREW = mW = W __ C · mc = 3.16 W __ C
{ mAW+REW + mEEW ≤ 0.43 ⇥(5)
It is deduced that W/C ≤ 0.136. That is to say, the FW will not emerge in the FCP until the W/C is larger than 0.136. At varied W/Cs, the FW content in the paste could be obtained from Eq. (6).
mFW = mW – (mAW + mEW) = W __ C · mc – 0.136 W __ C – 0.136⇥(6)
Based on Eq. (5), the content of EEW at varied W/Cs could also be deduced as follows.
mEEW = mW – (mAW + mREW) = W __ C · mc – 0.03 W __ C – 0.03⇥(7)
On the basis of the Eqs. (3), (6) and (7), the contents of different types of water and the volume fraction of solid phase f in the blank FCPs at varied W/Cs could be calculated, as listed in Table 2.
Furthermore, the addition of superplasticizer changes the microstructure of FCPs in the term of disassembling flocculated structures and transferring EW into FW. The released EW content by superplasticizer of per unit mass could be defined as u = ΔEW/ msp. From Figure 5 it is known that all the EEW is released at the critical dosage of superplasticizer (DC), i.e., ΔEW = VEEW. Thus, the u at different W/Cs could be obtained, as shown in Table 3. Then, the contents of the three types of water and volume fractions of solid phase f in the FCPs at varied W/Cs and Sp/Cs could be calculated based on the Eq. (8), as listed in Table 4. It is noted that the volume fractions of solid phase f decrease with the growths in W/C and Sp/C, and the paste could flow when f is lower than 0.7. The variation trend of f is in good agreement with the flowability of FCP in Figure 5.
VAW+ REW = 0.03
VEEW (W __ C , Sp __ C ) = 0.40 – 3.16 · Sp __ C · u
{VFW (W __ C , Sp __ C ) = 3.16 · W __ C – 0.43 + 3.16 · Sp/C · u ⇥(8)
f (W __ C , Sp __ C ) = 1 + 0.03 + VEEW (W __ C , Sp __ C )
____________________ 1 + W/C
3.3.2 Multi-scale microstructure model
Combined the data in Table 4 and the flowability curve in Figure 5, a multi-scaled microstructure model of FCPs with varied W/Cs and Sp/Cs was established and schematically illustrated as follows.
For the FCPs at W/C ≤ 0.15, their microstructure models are shown in Figure 7. In the blank FCP without superplasticizer, most of the cement particles aggregate together and form flocculated structures of multi-scaled size and the rest particles present individual ones. All mixing water exists as AW and EW, namely there is no FW. With the increases in W/C, more cement particles form flocculated structures, and the EW content rises and reaches the maximum at the W/C of 0.136. Beyond the W/C of 0.136, the contents of flocculated structures and EW are little changed by further increase in W/C, while FW appears in the FCP and its content increases with W/C. When a low dosage of superplasticizer is added in the FCP, both the size and amount of flocculated structures reduce and three types of water AW, EW, FW are found in the FCP. With the increase in Sp/C, EW content drops and FW content correspondingly ascends. In the case of overdosed superplasticizer in the FCP, the FW content reaches the maximum and flocculated structures are no longer influenced by the further addition of superplasticizer. The remaining flocculated structures are usually strongly bonded ones and could be destroyed by the superplasticizer with stronger dispersion capability, the content of which in the FCP is determined by the superplasticizer type.
In summary, although the contents of the solid phases in the FCPs including cement particles and AW and EW significantly change with the W/C and Sp/C, the volume of FW is still lower than Vpore. Hence, these FCPs at W/C ≤ 0.15 fail to flow regardless of Sp/C.
On the other hand, Figure 8 presents the microstructure models of the FCPs at W/C > 0.15. Three types of water AW, EW and FW could be found in the blank FCP. With the increase in W/C, the contents of AW and EW stay stable while the FW content keeps ascending evidently. When W/C is larger than 0.33, the FW content increases to be higher than Vpore and the blank FCP could free flow. The addition of superplasticizer leads to the decrements in the amount and size of flocculated structures and to an obvious growth in FW content. When the FW content is higher than Vpore at one certain Sp/C, the FCP could flow and the flowability grows with the Sp/C. When the FW content reaches the maximum, the flocculated structures are no longer influenced by the superplasticizer and the flowability stays stable.
3.3.3 Verification on the microstructure model
Considerable attentions has been paid on correlating the rheological parameters of suspensions with the volume fraction of solid phase. Flatt and Bowen [19, 20] deduced a Yodel equation (Eq. (9) for concentrated particle suspensions, which could accurately describe the dependence of the yield stress on the volume fraction of solid phase.
t0 = m1 f2 (f – f0) __________ ⇥(9)
fM (fM – f)
Where t0 is the yield stress of the solid-liquid dispersion; f is the volume fraction of the solid phase; fM denotes the maximum packing fraction; f0 represents a percolation threshold; m1 is introduced for convenience and incorporates everything that is not dependent on the volume fraction of solid phase.
m1 = 0.15 x uk, k x A0 ____________ p4 H2 x fs,D ___ Rv,50 ⇥(10)
Where A0 is the hamaker constant and is 1.7×10−21 J for Portland cement [25]. fs,Δ corresponds to a particle size distribution function and uk,k represents a normalization factor that changes the size distribution, which are 1 and 187.63 in fresh cement paste, respectively [19]. The median volume radius Rv,50 is set to 10 μm according to the experimental data. H is the minimum separation distance between cement particles and is 3.2 nm in blank FCP but falls between 6 to 12 nm in the presence of superplasticizer due to the introduction of steric hindrance effect [26].
On condition that fM ≈ 0.7and f0 ≈ 0.03 in the FCP, which are slightly influenced by the changes of mix proportion. Combined with f listed in Table 4, the corresponding yield stress of FCP at varied mix proportions could be roughly calculated. As presented in Figure 9, the calculated yield values are quite close to the experimental ones, which firmly validates the microstructure model.
This microstructure model was established based on the real microstructure of FCP observed by microscope with the emphasis on the multi-scaled organization structure of cement particles in the pastes, so the correlation between the rheological behavior and microstructure was clearly revealed. However, we need to emphasis here that the establishment of this microstructure model is based on the experimental data of this study. When other types of cement and superplasticizers with different dispersion capability are used in FCP, the model will surely vary in terms of the contents of different type of water and solid phase volume due to the changes in the critical W/C of 0.33 and the critical dosage of superplasticizer. Nevertheless, the variation trends and the mechanism reflected in the model should be universal and are applicable for most FCPs.
4 Conclusions
In this study, the real microstructure of fresh cement paste (FCP) was investigated by using a Morphologi G3 microscope. The effects of superplasticizer on the microstructure and the flowability of FCP were analyzed in detail. Based on the microstructure characterization and the working mechanism of superplasticizer, a generalized multi-scale microstructure model of FCPs was developed. The main conclusions are drawn as follows:
In the blank fresh cement paste, cement particles presents majorly agglomeration of cement particles rather than individual ones. Cement particles of different sizes aggregate together to form multi-scaled flocculated structures that enwrap much water. In the suspension system of fresh cement paste, free water (FW) functions as the dispersion medium while the adsorbed water (AW), entrapped water (EW) and cement particles including those in the flocculated structures and the individual ones constitute the dispersion phase.
The addition of superplasticizer into the cement pastes greatly facilitates the dispersion of cement particles. The disassembly of the flocculated structures releases much EW and the content of FW correspondingly increases. When all the flocculated structures are completely disassembled, the FW content reaches a maximum value and will not be influenced by the further addition of superplasticizer.
Based on the real microstructure of multi-sized particle suspension and the working mechanism of superplasticizer, the contents of different types of water (FW, AW and EW) and the volume fraction of dispersion phase in the FCPs were calculated. Finally, a generalized multi-scale microstructure model of FCPs at varied W/Cs and Sp/Cs was established. In the model, if the cement volume is fixed at 1, the maximum value of the total volume of the AW and remaining EW in the strongly bonded ones (VAW+REW) is 0.03 while the maximum value of the volume of the EW could be released by superplasticizer VEEW is 0.40. In the cement pastes with W/C lower than 0.136, all mixing water exists as adsorbed water and entrapped water, namely there is no free water. Based on the model, the yield stress of FCPs is calculated and the calculated results are close to the experimental ones, which firmly validates the microstructure model.
Acknowledgments
The financial support from the National Natural Science Foundation of China (Grant No. U1301241 and 51208034) is gratefully acknowledged.
Überschrift Bezahlschranke (EN)
tab ZKG KOMBI EN
This is a trial offer for programming testing only. It does not entitle you to a valid subscription and is intended purely for testing purposes. Please do not follow this process.
This is a trial offer for programming testing only. It does not entitle you to a valid subscription and is intended purely for testing purposes. Please do not follow this process.
tab ZKG KOMBI Study test
This is a trial offer for programming testing only. It does not entitle you to a valid subscription and is intended purely for testing purposes. Please do not follow this process.
This is a trial offer for programming testing only. It does not entitle you to a valid subscription and is intended purely for testing purposes. Please do not follow this process.
