Koesep® separator with innovative quality and performance
Köppern has developed Koesep®, a multi-stage separator combining the advantages of both static and dynamic separators with the usage of less space, lower energy and complete eradication of material handling equipment between the separators.
High Pressure Grinding Rolls (HPGR) have been used in the cement industry since 1986. The first few years as pregrinder but the energy benefits came with its use as a semi-finish grinder. For GGBS and limestone it is used for finish grinding. HPGRs build up a particle bed by feeding material from a filled hopper into the gap between two counter-rotating rollers. The movable roller is hydraulically pressed against the material bed and the fixed roller. Within the particle bed compression and shear forces cause mechanical interactions of the individual drawn in particles responding with fracture...
High Pressure Grinding Rolls (HPGR) have been used in the cement industry since 1986. The first few years as pregrinder but the energy benefits came with its use as a semi-finish grinder. For GGBS and limestone it is used for finish grinding. HPGRs build up a particle bed by feeding material from a filled hopper into the gap between two counter-rotating rollers. The movable roller is hydraulically pressed against the material bed and the fixed roller. Within the particle bed compression and shear forces cause mechanical interactions of the individual drawn in particles responding with fracture or crack initiation [1, 2]. Due to the high pressure acting in the gap the feed material is densified to an agglomerate (flake). Flakes are hard and are not easy to break therefore flake breaker is commonly used in the form of a rotating or static desagglomerator cage or angular plates.
Typical configuration with a V separator and dynamic separator is given in Figure 1.
Static separators are commonly used as rotating cage separators, experience high wear and thereby regular maintenances and decreasing efficiency. Also higher energy consumption due to the motor. Roller press output is fed to the static desagglomerator or commonly known as static separator or V separator due to its shape. Material or flakes falling from the top through several guide plates or vanes breaks down and finer particles are lifted to the top with air draft and coarser material falls down and is recirculated onto the press. Fines blown onto the dynamic separator from the static separator are once again separated. Coarse material is fed to the ball mill and fines are collected as product. Ball mill output is also fed to the dynamic separator and separated and coarse particles recirculated to the ball mill.
Though this combination of static and dynamic separators has good performance, it has its own disadvantages, namely requirement of space (height) and additional material handling equipment i.e. additional energy consumption and maintenances.
To overcome the disadvantages, Köppern developed Koesep® a multi-stage separator combining the advantages of both static and dynamic separators and usage of less space, lower energy and complete eradication of material handling equipment between the separators.
After successful computational Fluid Dynamics simulation, in 2011 first prototype was tested at Köppern’s pilot plant at Freiberg. Blue lines indicate flow of air and green lies material flow.
Principles of operation is similiar to that of a static separator and dynamic separator with the only difference that both the separators are in a single housing. Blue arrows in Figure 5 indicate movement of air and red arrows material flow. Coarse material from the static part is recycled onto the HPGR and the fines are transported by air flow onto the inner orange cone through the dynamic part which means that the fines from the static part are once again separated and the coarse material falls down to the ball mill with fines as product. Ball mill output is fed onto the rotating part and separated.
After successfull pilot plant trials, Köppern supplied the Koesep® for first indutrial use in a cement plant in Austria in 2015.
This plant had an HPGR with flake recycling mode and ball with dynamic separators. Flowsheet before upgradations is within the green box and material flow before installation of the Koesep® is indicated with dotted lines. Koesep® was successfully installed and commissioned with 40 hours of downtime.
In 2018, the Austrian cement manufacturer wanted to install a complete new grinding plant and Köppern was awarded the contract not only because of successfull implementation and operation of Koesep® but also due to long experience of Hexadur® rollers in their existing HPGR and prompt service support.
Though Köppern has successfully supplied complete plants for briquetting and compaction, but it was the first time Köppern changed over from individual equipment supplier to full scale plant supplier. Additional constaints were due to existing layout, shorter delivery period, erection and commissioning time during the pandemic.
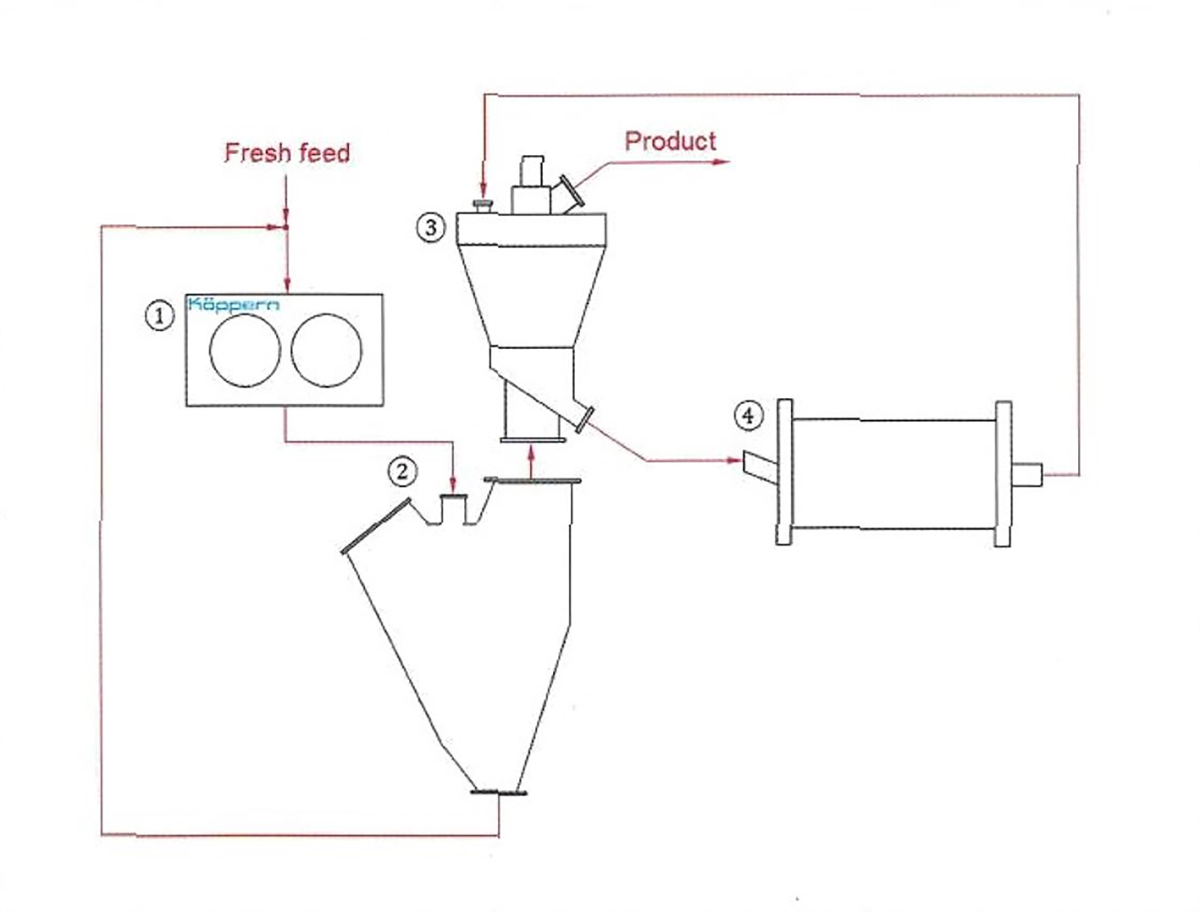
The plant was designed to handle many types of recipes and especially Köppern HPGR, namely the hydraulic system and gravity feeder can adapt to different feed material fineness. Fresh feed along with HPGR output is transported to the static part of Koesep® to avoid feeding too much fines to the HPGR. By the operation principle of Koesep®, fines are transported to the dynamic part and once again separated. Coarse material from the dynamic part is fed to the ball mill and output from the ball mill is once again fed to the dynamic separator.
Conclusion
It is evident from above that existing older plants can be made more productive and cost-effective through simple modifications such as separators and/or through upgrading the HPGR itself, which is already an energy-efficient machine.
With local partnerships and manufacturing locally under strict quality control, Köppern is confident of supplying complete grinding plants all over the world.
