Liquid alternative fuel (LAF) ­container solution

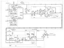
The alternative fuel container system is a flexible system to use liquid alternative fuels easily for new or existing burner systems introduced by GRECO. The fuels can be waste oil, solvents, in fact all liquid residues with a sufficient heating value, even containing water or smaller impurities. The standard 40ft LAF container is designed for filtration, storage and homogenization as well as for dosing the fuel to the burner lance. This TÜV approved system is designed and built in compliance with the ATEX guideline 94/9/EG. The storage tank, with a capacity of 37 m³, is designed as a double...
The alternative fuel container system is a flexible system to use liquid alternative fuels easily for new or existing burner systems introduced by GRECO. The fuels can be waste oil, solvents, in fact all liquid residues with a sufficient heating value, even containing water or smaller impurities. The standard 40ft LAF container is designed for filtration, storage and homogenization as well as for dosing the fuel to the burner lance. This TÜV approved system is designed and built in compliance with the ATEX guideline 94/9/EG. The storage tank, with a capacity of 37 m³, is designed as a double shell. The tank is equipped with a hot water heater connection at the tank bottom to preheat the fuel if necessary. The fuels can be mixed by 2 agitators controlled by a frequency converter. All parts of the storage tank touched by the medium are equipped with fire protection guards. The integrated unloading pump can discharge the contents of the truck into the storage tank. From there a dosing pump supplies to the burner valve train with a typical flow of 800-3500 l/h to the GRECO burner atomizing lance. The electrical cabinet with controller (Siemens Simatic S7) to regulate the system is located in the electrical niche of the container and will be delivered with a profibus interface to an external PLC.

Überschrift Bezahlschranke (EN)

tab ZKG KOMBI EN

4,99 € / Woche* (Test EN)

This is a trial offer for programming testing only. It does not entitle you to a valid subscription and is intended purely for testing purposes. Please do not follow this process.

This is a trial offer for programming testing only. It does not entitle you to a valid subscription and is intended purely for testing purposes. Please do not follow this process.

Bestellbutton in Angebotsbox (EN)

tab ZKG KOMBI Study test

2,49 € / Woche* (Test EN)

This is a trial offer for programming testing only. It does not entitle you to a valid subscription and is intended purely for testing purposes. Please do not follow this process.

This is a trial offer for programming testing only. It does not entitle you to a valid subscription and is intended purely for testing purposes. Please do not follow this process.

Bestellbutton in Angebotsbox (EN)

Related articles:

Issue 09/2009

Innovative measuring technology on the burner cuts operating costs when using liquid substitute fuels

The cement production process requires large quantities of ­energy. For this reason, the use of secondary fuels was studied intensively at an early stage, with the aim of reducing energy costs in the...

more
Issue 5/2014 A TEC GRECO

Burner developments for co-processing alternative fuels

1 Historical review The main technological principles of high momentum kiln burners by A TEC Greco are based on calculations and studies undertaken by Prof. Clemente Greco (1937-2003), who lectured in...

more
Issue 7-8/2013

Smart storage of solid alternative fuels

The loading and unloading conveyor systems already installed in many cement plants by Vecoplan FuelTrack have, in the course of time, undergone continuous further development and improvement. The...

more
Issue 06/2014 KHD Humboldt Wedag GmbH

Alternative fuels in the cement manufacturing process

1 Effects on the clinker manufacturing process The clinker manufacturing process offers ideal prerequisites for the safe combustion of alternative fuels. Due to the fact that the process involves high...

more
Issue 7-8/2016 BEUMER GROUP

The new business area AFR systems ­enables the use of alternative fuels in ­cement and lime plants

In addition to mineral wastes that can be employed as alternative raw materials, the market focuses on alternative fuels. In addition to liquid alternative fuels, such as waste oil or solvents, solid...

more