Moderne Mahlhilfen und ihr Einfluss auf die hydraulischen Eigenschaften von Hüttensand

Zusammenfassung: In dieser Arbeit wird der Einfluss verschiedener Oberflächeneigenschaften auf die Wirkungsweise von modernen Mahlhilfen auf Basis von Polycarboxylatether bei der separaten Mahlung von Hüttensand untersucht. Es werden die Auswirkungen auf einen Labor-Mahlprozess sowie die Effekte auf die hydraulische Reaktivität des Mahlgutes beschrieben. Die Ergebnisse zeigen, dass Mahlhilfen einerseits ein Energieeinsparpotential bei der Mahlung von Hüttensand besitzen, anderseits auch deutlichen Einfluss auf die Messmethoden bei der Bestimmung der Mahlfeinheit nehmen.

1 Einleitung

Die Verwendung von Hüttensand (HÜS) als Zementhauptbestandteil hat sich in den vergangenen Jahrzehnten in der Zementproduktion etabliert und als ein wirksames Mittel zur Senkung der CO2-Emmisionslast bewährt. Trotz des deutlichen Rückgangs der verfügbaren Mengen im Jahr 2009, ist die Bedeutung des Hüttensandes für eine ökonomische Zementproduktion geblieben. Sein Einsatzgebiet liegt dabei vorwiegend bei CEM II- und CEM III-Produkten. Die Knappheit des Rohstoffs, aber auch seine latent-hydraulischen Eigenschaften, motivieren Forscher und Produzenten zur Optimierung seiner...

1 Einleitung

Die Verwendung von Hüttensand (HÜS) als Zementhauptbestandteil hat sich in den vergangenen Jahrzehnten in der Zementproduktion etabliert und als ein wirksames Mittel zur Senkung der CO2-Emmisionslast bewährt. Trotz des deutlichen Rückgangs der verfügbaren Mengen im Jahr 2009, ist die Bedeutung des Hüttensandes für eine ökonomische Zementproduktion geblieben. Sein Einsatzgebiet liegt dabei vorwiegend bei CEM II- und CEM III-Produkten. Die Knappheit des Rohstoffs, aber auch seine latent-hydraulischen Eigenschaften, motivieren Forscher und Produzenten zur Optimierung seiner Reaktionskinetik. Einen Ansatz hierzu liefert die Mahlung der granulierten Hochofenschlacke. HÜS wird sowohl separat als auch gemeinsam mit dem Klinker in verschiedenen Mahlaggregaten gemahlen, wobei ein Trend zu einer getrennten Mahlung, speziell im europäischen Ausland erkennbar ist. Diese Mahlprozesse werden in der Zementindustrie seit vielen Jahrzehnten durch den Zusatz von Mahlhilfsmitteln optimiert. Bei Klinker und Kalksteinmehlen liegen breite Erfahrungen über Effizienz und Wirkweise im Zement vor. Anders dagegen bei der ­Mahlung von Hüttensanden. Hier spielen Mahlhilfen meist nur bei der gemeinsamen Mahlung von Klinker und HÜS eine Rolle. Ihr spezifischer Einfluss auf die Hydraulizität des Schlackenglases ist daher wenig bekannt. Mahlhilfen aktueller Generation haben neben der Effizienzsteigerung des Mahlsystems auch den Anspruch, die Eigenschaften des Hüttensandes im System Zement zu verbessern. Der Beitrag gibt einen Überblick über die Auswirkung von PCE-haltigen Mahlhilfen auf die Mahlung und die hydraulischen Eigenschaften eines Hüttensandes.


2 Ausgangsstoffe

2.1 Mahlhilfen

Die verwendeten Mahlhilfen bestehen aus zwei Wirkstoffen und einem definiertem Wassergehalt (Tabelle 1). Mahlhilfen wirken im Allgemeinen durch die Herabsetzung der Oberflächenenergie des Mahlgutes. In Abhängigkeit der Bauart der Mühle, des Mahlgutes und des eingesetzten Wirkstoffes adsorbiert ein Teil der Mahlhilfen dauerhaft auf der Oberfläche des Mahlgutes. Der verbleibende, geringere Teil wird über den Gasstrom ausgetragen. Die Wirkung der adsorbierten Mahl­hilfen auf die hydraulischen Eigenschaften ist für TIPA und TEA mehrfach für Zementklinker beschrieben [1, 7, 11, 12, 14]. Es ist bekannt, dass vor allem Klinker mit hohem C4AF-Gehalt wirksam beschleunigt werden können. Ein Modell von Gartner und Myers [7] sowie Arbeiten von Dodson [3] beschreiben die Wirkweise auf Basis der Komplexbildung. Die beschleunigende Wirkung hängt bei TIPA und TEA stets von der dosierten Konzentration ab. Insbesondere TEA kann hierbei sowohl als Beschleuniger (niedrige Konzentrationen), als auch als Verzögerer (hohe Konzentrationen) wirken. Bei starken Überdosierungen, kann die Induktionsperiode zum Teil um mehrere Tage verlängert werden [8, 11]. Je nach Mahlgut stellt sich somit ein Grenznutzeffekt für die verwendete Mahlhilfe ein. Für TEA sind hierfür Konzentrationen von 0,10 M.% – 0,20 M.% bekannt [14]. Der Einsatz von PCE war im Bauwesen bisher auf die Verwendung in Betonzusatzmittel beschränkt. Über die Wirkung als Mahlhilfe liegen bislang noch wenige Daten vor. Positive Auswirkungen PCE-haltiger Mahlhilfen auf Zement- und Betoneigenschaften sind in [9] beschrieben. Insbesondere der Wasseranspruch kann positiv beeinflusst werden. Von PCEs ist ein unterschiedliches Adsorptionsverhalten auf den einzelnen Klinkermineralen bzw. auf frühen Hydratationsprodukten des Zementes bekannt. Dies beruht auf unterschiedlichen Ladungsdichten der Adsorptionsoberflächen.


2.2 Hüttensand

Die Mahlbarkeit von Hüttensanden und der damit verbundene hohe Energieaufwand ist mehrfach beschrieben [5, 6, 15]. Bezogen auf die Anwendung von Mahlhilfen bieten frische und abgelagerte Hüttensande verschiedene Ausgangsbedingungen für die Adsorption der Mahlhilfen auf der Kornoberfläche und deren Verteilung während der Mahlung. In die Untersuchungen wurden zwei Hüttensande einbezogen. Beide stammen aus dem gleichen Hochofen einer deutschen Eisenhütte. Die Zeiträume des Schlackeabstiches liegen etwa 6 Monate auseinander. Die chemische Zusammensetzung schwankt, bei einer glühverlustfreien Betrachtung, gering im Hinblick auf die Hauptoxide (Tabelle 2). Das Alter des frischen Hüttensandes (GBFS fresh) schließt den Granulationsprozess sowie den Transport in ein Zementwerk ein. Der abgelagerte Hüttensand (GBFS aged) wurde zudem ca. 6 Monate auf einer frei bewitterten Vorratshalde gelagert und von dieser entnommen. Zur Herstellung eines Laborzementes wurde ein CEM I 42,5 R verwendet. Der Laborzement wurde in Anlehnung an einen CEM III/A im Verhältnis 50/50 homogenisiert.


2.3 Eigenschaften der verwendeten Hüttensande

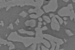
Der mittels Röntgenbeugung ermittelte Glasgehalt liegt nahe 100  %. Ein geringer Calcitgehalt ist am abgelagerten Material detektierbar. Weitere Phasen verhalten sich röntgenamorph bzw. liegen unterhalb der Nachweisgrenze. Einen präzisen Eindruck der Oberflächentextur geben hochauflösende Aufnahmen mittels Rasterelektronenmikroskopie wieder. Beide Hüttensande besitzen eine hohe Porigkeit (vgl. Bild 4) der Glasmatrix. Die bei der Granulation entstehenden Poren treten in variablen Durchmessern von wenigen µm bis zu 300 µm auf. Sie sind unregelmäßig verteilt. Reaktionsprodukte im Inneren der Poren lassen darauf schließen, dass sie im ungemahlenen Zustand mit einer wässrigen Lösung gefüllt sind. Die Oberfläche des frischen Hüttensandes ist nur sehr gering mit Produkten belegt, welche eine abbildbare Größe aufweisen. Kleinere Agglomerate sind flächig verteilt. Am Anschliff konnte neben der Hauptmatrix eine weitere, aluminium- und schwefelfreie Phase identifiziert werden (Bild 1, heller Bereich). Der geringe Eisengehalt des Hüttensandes konzentriert sich in Form von lokalen, tröpchenförmigen Einschlüssen (Bild 2), welche eine geringe Oxidationsstufe beinhalten. Eine flächige Belegung der frischen Hüttensandoberfläche (Bilder 3 und 4) mit Halit-
Kristallen ist ebenfalls auf den Granulationsprozess zurückzuführen. In dessen Wasserkreislauf reichern sich Alkalichloride (NaCl oder KCl) an, welche mit der Restfeuchte des Materials aus dem Kreislauf ausgetragen werden. Bei der Probenpräparation, aber auch bei der Trocknung der Restfeuchte vor der großtechnischen Mahlung in Kugelmühlen, kristallisieren die Halit- bzw. Sylvinkristalle auf der Oberfläche aus. Man findet sie daher stets als äußerste Schicht. Auch am abgelagerten Hüttensand (Bilder 5 und 6) wurde Halit – in geringeren Mengen – als Belegung auf den C-S-H-Phasen nachgewiesen. Die erste Interaktion eines Mahlhilfsmittels nach dessen Dosierung erfolgt somit mit einem Film aus Alkalichloriden. Während sich am frischen Hüttensand die Glasmatrix anschließt (Gelschichten und Auslaugungszone der Korrosion ausgenommen), bilden am abgelagerten Material eine Reihe von Reaktionsschichten eine Barriere zum Bulk-Glas. Ausgehend von der homogenen Glasmatrix geht das Gefüge in einen Auflösungsbereich über, welcher vor allem an Calcium und Magnesium verarmt ist. Hieran schließt sich die innere Reaktionsschicht an, welche als C-S-A-M-H-Phase beschrieben werden kann. Literaturquellen geben diesen Bereich auch als Hydrotalcit-ähnliche Schicht an. Auf dieser Schicht bilden C-S-H-Phasen eine abschließende Grenzschicht nach außen. Nach nur 6-monatiger Lagerung
auf einer Halde zeigen die Hüttensandkörner eine durchschnittliche Gesamtschichtdicke der Hydratneubildungen von ca. 5 µm, wobei lokal (Kanteneffekt) 10 µm und mehr erreicht werden. Der gebundene Wassergehalt beträgt 2,6 M.%.

3 Versuche und Methoden

3.1 Mahlversuche

Die ausgewählten Mahlhilfen wurden in einer Laborkugelmühle als Chargenmahlung ohne Abtrennung der Feinanteile getestet. Die Aufgabe der Mahlhilfen erfolgte flächig auf die bei 40 °C getrocknete, abgekühlte Oberfläche. Als Dosiermengen wurde eine Abstufung von 0,05 M.% bis 0,30 M.% gewählt, letztere um einen möglichen Grenznutzeffekt darzustellen. Zur Bewertung der Mahlfeinheit stehen verschiedene Methoden zur Verfügung. Einen praktischen Orientierungswert liefert traditionell das Durchströmungsverfahren nach BLAINE. Steigende spezifische Oberflächen nach BLAINE korrelieren tendenziell mit abnehmender Partikelgröße. Der BLAINE-Wert wird deshalb vorwiegend als Indikator angesehen [10, 13], weil Aussagen über die Korngrößenverteilung nicht abgeleitet werden und der Feinanteil nicht ausreichend wiedergegeben wird. Bei der Mahlung von abgelagertem Hüttensand führt eine Zerstörung der Reaktionsschichten zudem zu einem höheren Strömungswiderstand und somit zu erhöhten und verfälschten BLAINE-Werten. Das Durchströmungsverfahren wurde durch ein Sorptionsverfahren (BET-Adsorption) und ein photooptisches Verfahren (Laserbeugung) ergänzt. Wesentlicher Parameter des Mahlvorgangs war die Mahldauer, die benötigt wird um eine Zielfeinheit von 5500 cm²/g zu erreichen (Bilder 7
und 8
). Ein Zwischenwert wurde nach einer konstanten Mahldauer von 210 min bestimmt.


3.2 Bewertung der Reaktivität des Hüttensandmehles

Die hydraulische Reaktivität von Hüttensanden wird meist in direktem Zusammenhang mit der Normdruckfestigkeit des Zementes dargestellt, da diese eine wesentliche Zielgröße der Optimierung darstellt. Weil die eingesetzten Additive jedoch eine bereits bekannte Wirkung auf einzelne Klinkerminerale aufweisen, ist die Fragestellung nach der Wirkung auf die latent-hydraulischen Eigenschaften des Hüttensandes vom Parameter Druckfestigkeit zu entkoppeln. Die Bewertung der Reaktivität erfolgt daher vorrangig durch die Bestimmung der Umsatzgrade in einem Modellzement sowie durch die Ermittlung der Auflösungsrate des gemahlenen Hüttensandes.


4 Ergebnisse

4.1 Wirkung auf den Mahlprozess

Frischer und abgelagerter Hüttensand zeigen nach 210  min Mahlung einen nahezu identischen BLAINE-Wert von bereits 4500  cm²/g. Die Applikation der Mahlhilfen bewirkt bei ­einer konstanten Mahldauer einen gegensätzlichen Effekt
(Bild 9). Während am abgelagerten Hüttensand der BLAINE-Wert deutlich gesteigert wird, zeigen Messungen am frischen Hüttensand eine Reduzierung der spezifischen Oberfläche. Die weitere Mahlung bis zum Zielwert zeigt zudem den Einfluss der Dosiermenge auf die Mahldauer. Frischer Hüttensand zeigt nur bei sehr geringer Zugabe von Mahlhilfe 1 (PCE+TIPA) eine verkürzte Mahldauer. Andere Wirkstoffe und insbesondere höhere Konzentrationen (>  0,10  %) bewirken eine Verlängerung des Mahlprozesses. Deutliche Energieeinsparungen können jedoch am abgelagerten Material erzielt werden. Auch hier wurden mit der Kombination PCE+TIPA die kürzeste Mahldauer erzielt. Im Gegensatz zum frischen Hüttensand sind jedoch alle Mahlhilfen im Hinblick auf den Zielwert von 5500 cm2/g wirksam. Konzentrationen >  0,10 M.% führen dabei zu sehr deutlichen Zeiteinsparungen.


4.2 Wirkung der Mahlhilfen auf die Korngrößenverteilung bei konstantem BLAINE-Wert

Bedingt durch die Verwendung einer Labormühle stellt sich bei den Referenzmahlungen ohne Mahlhilfen ein breiteres Kornband ein als dies in einer industriellen Mahlanlage der Fall
wäre. Bei gleichem BLAINE-Wert ist das Kornband des abgelagerten Hüttensandes gröber im Vergleich zum frischen Material (Bilder 10 und 11). Somit kehrt sich der in der Literatur beschriebene Effekt der leichteren Mahlbarkeit abgelagerter Hüttensande bei höheren BLAINE-Werten um. Der Einsatz der Mahlhilfen an frischem Hüttensand führte in den Mahlversuchen vorwiegend zu einer längeren Mahldauer (bis zu 17 %). Das dabei erzielte Kornband ist stets steiler als die Referenzkurve (Bild 10). Trotz der verlängerten Mahlung wurde der Feinstbereich <  2  µm, welcher für die Frühfestigkeit relevant ist, nicht angehoben. Der Grobanteil > 10  µm konnte jedoch – bedingt durch die längere Mahldauer – deutlich reduziert werden. Anhand der Korngrößenverteilung kann ein Anstieg der Frühfestigkeiten (2 d) auf Basis höherer Feinanteile ausgeschlossen werden, da die hierfür notwendige Fraktion <  2  µm nicht erhöht wurde. Die deutliche Verkürzung der Mahldauer des abgelagerten Hüttensandes durch den Einsatz der Mahlhilfen führt in allen Versuchen zu einem gröberen Mahlgut. Die maximale Korngröße bleibt dabei jedoch unverändert. Der Fraktionsbereich 1  µm bis 10  µm zeigt die deutlichsten Unterschiede, wobei höhere Konzentrationen auch zum gröberen Mahlgut führen, in Analogie zur Mahldauer. In den durchgeführten Mahlversuchen zeigten die Mahlhilfen einen relevanten Einfluss auf die Bestimmung des BLAINE-Wertes. Der verzerrende Effekt von Reaktionsprodukten aus einer Vorhydratation auf die Bestimmung des BLAINE-Wertes wird durch adsorbierende Mahlhilfen nochmals verstärkt.


4.3 BET-Adsorptionsoberfläche

Die BET-Oberfläche als Maß der Mikrorauigkeit wird maßgebend vom Anteil der Feinstpartikel beeinflusst. Hierzu tragen die Korngrößenverteilung und der Gehalt an Feinstpartikeln bei. Frische Hüttensande zeigen üblicherweise BET-Werte von 1,0 m²/g bis 1,5 m²/g. Bei abgelagerten Hüttensanden beeinflusst die Zerstörung der Hydratationsschicht ebenso wie bei der Bestimmung des BLAINE-Wertes die Messung der BET-Oberfläche. Hierbei werden meist Oberflächen von mehr als 2,0 m²/g bestimmt. In Abhängigkeit der Dosiermenge wirken die verwendeten Mahlhilfen auf den BET-Wert ein, in dem sie die Verteilung der Feinstfragmente der Hydratationsschichten beeinflussen. Insbesondere höhere Dosiermengen führen zu erhöhten BET-Oberflächen (Bild 12), ohne dass ein Einfluss des Wirkstoffes erkennbar ist.


Eine dauerhafte Adsorption des Additives am Mahlgut konnte beispielhaft an Mahlhilfe GA1 für beide Hüttensande mittels TOC-Analyse abgeschätzt werden. Hierbei ergibt sich für den frischen HÜS ein Adsorptionsgrad nahe 100  %. Am abgelagerten HÜS konnten erst höhere Dosiermengen nachgewiesen werden.


4.4 Einfluss auf die Normdruckfestigkeit
eines Laborzementes

Die hergestellten Laborzemente entsprechen in ihrer Zusammensetzung einem CEM III/A. Tabelle 3 ist zu entnehmen, dass die Frühfestigkeit nach 2 Tagen bei beiden Hüttensanden in Richtung einer schnelleren Festigkeitsentwicklung verschoben werden kann. Bei der Mahlung konnten keine signifikanten Unterschiede der einzelnen Wirkstoffe in ­Bezug auf den Mahlprozess erkannt werden. Für die Wirkstoffe PCE+TIPA sowie PCE+TEA trifft dies auch auf die Auswirkungen auf die Druckfestigkeit des Normmörtels zu. Die Kombination PCE+DEG wirkt allerdings sehr differenziert auf die verschiedenen Hüttensande. Der Tabelle ist zu entnehmen, dass am Zement, welcher mit frischem Hüttensand hergestellt wurde, mit PCE+DEG die absolut höchste Druckfestigkeit nach 2 d (ein Zuwachs von 23  %) bestimmt wurde. Die gleiche Wirkstoffkombination bewirkt in unveränderter Konzentration am abgelagerten Material lediglich einen Anstieg von nur 4  %. Es kann hier bei einer Überdosierung sogar zu geringeren
Druckfestigkeiten führen als der Referenzwert. Die gewählten Dosiermengen zeigen hinsichtlich der Festigkeitsentwicklung ein Optimum für jeden Wirkstoff. Dieses Optimum variiert in Abhängigkeit des jeweiligen Prüftermins. Es können gezielt sowohl Früh- als auch Endfestigkeiten angehoben werden. Die bei Hochofenzementen relevanten Frühfestigkeiten lassen sich gut durch Dosiermengen von 0,10  M.% (PCE+TIPA sowie PCE+TEA) bzw. 0,20  M.% (PCE+TEA) unterstützen. Beide Hüttensande zeigen somit trotz des engeren, teils gröberen Kornbandes höhere Druckfestigkeiten am Normmörtel. Insbesondere das Festigkeitsdefizit, das typisch für abgelagerten Hüttensand ist, kann durch die Mahlhilfen kompensiert werden.


4.5 Einfluss auf den Umsatzgrad
des Hüttensandes im Zement

Die Bestimmung der Normdruckfestigkeit klärt nicht die Frage, ob deren Anstieg auf eine veränderte Reaktion des Zementklinkers oder eine beschleunigte Reaktion des Hüttensandes selbst zurückzuführen ist. Ein physikalischer Effekt kann nach 4.2 und 4.3 nicht auf einer Erhöhung des Feinstanteils sondern lediglich auf eine Erhöhung der Packungsdichte beruhen. Eine orientierende Auskunft hierüber gibt die Bestimmung des Umsatzgrades mit einem selektiven Lösungsverfahren. Die ­Bilder 13 und 14 zeigen den zeitbezogenen Umsatz am Beispiel der Konzentrationen, welche nach 2 Tagen den höchsten Festigkeitszuwachs am Normmörtel aufwies. Der deutliche Gegensatz zwischen frischem und abgelagertem Material belegt den Reaktivitätsverlust durch die Haldenlagerung. Die ermittelten Unterschiede sind vor allem am Zement mit frischem Hüttensand ausgeprägt und liegen in einem statistisch sicheren Bereich. Die Änderung des Umsatzgrades nach 2 d am abgelagerten Hüttensand ist messbar, bewegt sich allerdings zum Teil im Toleranzbereich des Verfahrens. Hinter dem geringen Anstieg der Probe des abgelagerten Materials, welches mit PCE+TEA gemahlen wurde, steht die Frage, inwiefern sich das adsorbierte Triethanolamin auf das Verfahren, speziell auf den spezifischen Lösungsrückstand des Ausgangsmaterials auswirkt. Triethanolamin ist Bestandteil des komplexbildenden Lösungsmittels, in welchem die hydratisierten Proben selektiert werden. Eine Korrelation mit den bestimmten Normdruckfestigkeiten ergibt sich nur tendenziell und hier bevorzugt am frischen Hüttensand. Hierfür gibt es zwei relevante Gründe. Zum einen bietet das verwendete Verfahren trotz sorgfältiger Anwendung eine begrenzte Genauigkeit. Zum zweiten steht neben der Reaktion Mahlhilfe – Hüttensand parallel die Reaktion Mahlhilfe – Klinkerphase im Vordergrund.


4.6 Einfluss der Mahlhilfen auf die
Auflösungsrate des Hüttensandes

Die Bestimmung der Auflösungsrate gibt an, welche Stoffmenge pro Zeit unter definierten Bedingungen in Lösung geht. Die angewandte Methode ist detailliert in [2] beschrieben. Die in Tabelle 4 aufgeführten Auflösungsraten stellen einen Mittelwert aus 7 Einzelmessungen dar, welche einen Zeitraum von 0 bis ca. 10 Minuten abdecken. Der Einfluss der Mahlhilfen auf die Auflösungsrate korreliert mit den Ergebnissen zur Entwicklung Umsatzgrades. Auch hier kann nur beim frischen Hüttensand ein direkter Einfluss abgeleitet werden Der teils negative Einfluss des DEG auf die Normdruckfestigkeiten spiegelt sich an dieser Stelle in einem gehemmten Auflösen des Hüttensandes wider. Analysen der Eluate zeigen, dass die einzelnen Wirkstoffe der Mahlhilfen individuell auf einzelne Elemente wirken (Bilder 15 und 16). Inwiefern es sich hier um eine verbesserte Löslichkeit oder aber um eine beeinflusste Phasenbildung handelt bleibt vorerst offen. Die Ergebnisse zeigen, dass eine direkte Wechselwirkung zwischen Mahlhilfe und Hüttensandglas stattfindet. Sie ist an der unbelegten Oberfläche (frischer Hüttensand) deutlich ausgeprägter als an den Fragmenten früherer Reaktionsprodukte. Diese Wechselwirkung findet nicht mit allen Elementen des Hüttensandes in gleichem Umfang statt. Obwohl TIPA und TEA bevorzugt dreiwertige Ionen komplexieren, sind es hier das Ca2+ sowie das Mg2+, die deutlich in ihrer Konzentration verschoben werden. Die Al3+-Konzentration bleibt im Vergleich dazu stabil. Trotz dass die Bestimmung der Lösungsrate in ihrem Versuchsaufbau nicht exakt den Bedingungen im Bindemittel (hier CEM III/A) entspricht, lässt sich die Wirkung der Mahlhilfen auf die Normdruckfestigkeit mit der veränderten Auflösung in Bezug setzen.


5 Schlussfolgerung

In den vorgestellten Untersuchungen wurden Mahlhilfen eingesetzt, welche sowohl auf bewährten Wirkstoffen beruhen, jedoch mit modernen Polymeren kombiniert wurden. Diese Produktgruppe wirkt sehr differenziert auf die separate Mahlung von Hüttensanden im Hinblick auf deren Alterungsgrad. Die bei der großtechnischen Anwendung im Vordergrund stehende Energieeinsparung konnte in den Versuchen vorwiegend bei der Mahlung des abgelagerten Materials erzielt werden, hier jedoch in beträchtlichem Umfang. Auch am frischen Material sind geringe Einsparmöglichkeiten gegeben, die jedoch sehr viel stärker vom eingesetzten Wirkstoff und dessen Dosiermenge abhängen als dies beim abgelagerten Hüttensand der Fall ist. Durch die Dosierung der Additive verändern sich die Parameter Mahldauer und Korngrößenverteilung. In allen Fällen wurde durch den Einsatz der Mahlhilfen ein engeres Kornband erzielt als am Referenzmaterial. Der für die Frühfestigkeit relevante Feinstanteil <  2  µm konnte in der Labormühle nicht gesteigert werden. Die gemessenen Änderungen hinsichtlich Normdruckfestigkeit, Umsatzgrad und Auflösung der Hüttensande werden somit nicht auf eine physikalische Steigerung der Oberfläche, sondern auf einen direkten chemischen Einfluss der Additive auf den Hüttensand sowie auf eine veränderte Interaktion zwischen Hüttensand und Klinker zurückgeführt. Unabhängig von der Effizienz bei der Mahlung bewirken die untersuchten Mahlhilfen in Abhängigkeit der Dosiermenge einen nennenswerten Anstieg der Frühfestigkeiten. Sofern relevant, können durch eine Anpassung der Dosiermenge auch spätere Festigkeiten beeinflusst werden. Als besonderer Vorteil ist die Kompensierung der Festigkeitsverluste bei der Mahlung von abgelagertem Hüttensand hervorzuheben. Im Laborversuch konnte die Druckfestigkeit des Laborzementes deutlich über der des Vergleichmaterials mit frischem Hüttensand gehoben werden. Besonderes Augenmerk beim Einsatz von Mahlhilfen zur Hüttensandmahlung liegt in der Beeinflussung der einzelnen Prüfverfahren zur Mahlfeinheit. Die verschiedenen Oberflächen von Hüttensanden erlauben keine klare Korrelation zwischen dem BLAINE-Wert, der Laserbeugung und der BET-Sorption.


Danksagung

Für die Unterstützung bei der Durchführung der Mahlversuche sei der Professur Aufbereitung und Wiederverwertung von Baustoffen der Fakultät Bauingenieurwesen an der Bauhaus Universität Weimar recht herzlich gedankt. Ebenso Herrn Dr. Bernd Möser für die Aufnahmen mittels Rasterelektronenmikroskopie.

tab ZKG KOMBI Test

4,99 € / Woche* (Test!)

Es handelt sich hierbei um ein Testangebot. Es berechtigt zu keinem gültigen Abonnement und steht hier rein für Testläufe. Bitte diesem Prozess nicht folgen.

Es handelt sich hierbei um ein Testangebot. Es berechtigt zu keinem gültigen Abonnement und steht hier rein für Testläufe. Bitte diesem Prozess nicht folgen.

Jetzt wählen

tab ZKG KOMBI Study Test

2,49 € / Woche* (nicht gültig)

Es handelt sich hierbei um ein Testangebot. Es berechtigt zu keinem gültigen Abonnement und steht hier rein für Testläufe. Bitte diesem Prozess nicht folgen.

Es handelt sich hierbei um ein Testangebot. Es berechtigt zu keinem gültigen Abonnement und steht hier rein für Testläufe. Bitte diesem Prozess nicht folgen.

Jetzt wählen

Thematisch passende Artikel:

Ausgabe 02/2011

Zementadditive auf PCE-Basis

1 Einleitung Seit den 1930er Jahren werden bei der Mahlung von Zement Zusatzmittel verwendet. Während anfangs das hauptsächliche Ziel in der Steigerung der Produktionsleistung lag, wurden ab den...

mehr
Ausgabe 03/2010

Aktuelle Entwicklungen bei der Herstellung und Nutzung von Hüttensand

1 Einleitung Hüttensand wird seit über 100 Jahren auf Grund seiner latent-hydraulischen Eigenschaften als Zementbestandteil und auch als Betonzusatzstoff verwendet. Er entsteht aus der flüssigen...

mehr
Ausgabe 10/2010

Zementmahlung in Vertikalmühlen verbessern

1 Einleitung Hauptsächlich auf Grund des geringeren spezifischen Energieverbrauchs (gemessen in KWh/t produzierten Materials) und der höheren Produktionswerte (t/h) verdrängen Vertikalzementmühlen...

mehr
Ausgabe 05/2012

Zement-Verfahrenstechnik

VDZ-Fachtagung Zement-Verfahrenstechnik, Düsseldorf/Germany (16.02.2012)

Mit Beiträgen zu Modernisierungsmaßnahmen in den Werken und mit allgemeinen Themen bot sich den 230 Teilnehmern der diesjährigen Fachtagung Zement-Verfahrenstechnik (Bild 1) ein interessantes...

mehr
Ausgabe 01/2013

Einfluss der Granulationsbedingungen und Leistungsfähigkeit von Hüttensand – Teil 1: Granulationsbedingungen

Institute for building Materials Research (FEhS), Duisburg/Germany

1 Einleitung In Hüttenwerken erfolgt die schnelle Abkühlung der meist 1440–1540?°C heißen flüssigen Hochofenschlacke zum Hüttensand in der Regel durch Abschrecken mit Wasser bei einem hohen...

mehr