Simplified method of feed pipe balancing at pneumatic reactor feed
When an industrial process/a reactor is to be pneumatically fed with a solid material via several, simultaneously supplied feed points, one of the requirements is uniform distribution of the solids mass flows. To enable a precise calculation of the individual flows and total flows, numerous parameters are required.
1 Introduction
1 Introduction
Two possible systems for fulfilling this requirement are schematically depicted in Fig. 1: Section 1a shows a distributor, which splits the pneumatically delivered gas/solids mixture M·tot = (M·F + M·S) to N outgoing parallel pipes, while section 1b shows the distribution to the N pipes in a fluidized/suitably aerated pressure vessel. Although it is in principle also possible to feed the conveying gas/solids mixture via individual pipes, this quickly leads to substantial capital cost when a larger number of pipes is involved. In the following, it is assumed that the individual parallel pipes all have an identical inside diameter DR.
As can be seen from Fig. 1, the same pressure difference pD,C = (pD – pC) exists in all the parallel pipes, with: pD being the pressure in the distributor/dispatcher and being the pressure in the reactor/ receiver. In view of the fact that there can be differences in both the lengths and the spatial routing of the pipes to their infeeding points at the reactor, so that their specific flow resistances also differ, there are different mass flows M·tot,j of the conveyed gas-solids mixture in the individual pipes. The smallest mass flow passes through the pipe with the largest specific resistance, and vice versa. For this reason, uniform distribution has to be imposed by installing additional conveying pipe elements – straight pipe sections, bends etc. – in the various pipes, i.e. by equalizing the individual specific resistances Fig. 2 shows the practical implementation of such an equalization station for feeding a blast furnace.
2 Uniform distribution through feed pipe balancing
The following equations: = (M·S/M·F) = j = (M·S,j/M·F,j) = const. and Mtot,j = (M·tot/N) = const. thus apply for the parallel pipes. This approach appears plausible because the gas has a higher velocity than the solid material and thus flows quasi through a column of material, whose high resistance forces a uniform distribution to all the pipes.
The computing program contains all the equations that are required for calculating the individual elements and their interactions. These equations have been checked, adapted and improved in the course of comprehensive trials in the CPP test plant facility. The measured and the computed solid material distribution precisions differ by less than RF = ± 2 % by mass. A computational balancing to RF < ± 0.5% by mass does not make sense because of the occurring manufacturing inaccuracies, pipe tolerances etc.. Details are provided in [1-4].
From the foregoing, it is understandable that usage of the program is time-consuming. The following sections will therefore propose a simplified method of feed pipe balancing.
s = drag coefficient of the solid material,
μ = (M·S/M·F), loading, mass flow ratio of solid material : gas,
–F,h = mean gas density,
u–F = mean gas velocity.
Kb = 1 – exp (–b · π · b ) (5)
180°
The equivalent total length of xb identical bends, e.g. of 90° bends, then amounts to (xb · Läq,b).
The pressure drop equation of an individual pipe is simplified by means of the described method to:
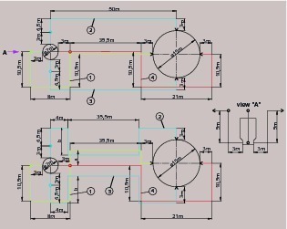
Due to the structural situation, the piping route depicted in Fig. 3a is initially planned. 90° bends with a radius of Rb = 0,5 m are to be used. Table 2 contains the equivalent lengths calculated for this layout and also the solids mass flows M·S,j bar occurring at a pressure difference of pD,C = 1,25 bar. The M·S,j values for this case and in the following text were calculated with the CPP design program for pneumatic conveying systems. This program employs an alternative calculation model [6], which is based on the real conveying pipe route, and is used for additional substantiation of the results.
The differences Läq,j in the equivalent lengths result in unacceptably large deviations of the solids mass flows M·S,j from the required value M·S,4 = 2,0 t/h. Feed pipe balancing is therefore necessary. In this case, the Läq,j≠4 values are converted into 90° bends (Läq,b = 2,565 m) and straight, horizontal pipe sections in accordance with possible alternative piping routes. Fig. 3b shows a design variant and Table 3 presents the associated operating data for a complete feed pipe balancing.
In order to achieve Läq,j = 0, the selected distances (a, b), compare Fig. 3b, must be a =~ 5,218 m and b =~ 7,935 m. However, in practice such precision cannot be achieved, so that residual lengths Läq,j ≠ 0 will always remain. Table 4 shows the effects of different Läq,j residual lengths on the distribution precision by example of pipe 1. The values were again determined with the CPP design program for pneumatic conveying systems.
The solids mass flows M·S,j calculated with the equivalent length model – equation (8) – and with the CPP design program for pneumatic conveying systems differ slightly. The mass flows calculated with the CPP design program are more accurate, because the program takes account of the real positions of the different pipe elements along the conveying routes. However, the effects on the feed pipe balancing are negligible.
3 Load behaviour
The equivalent length Läq,o of a throttle valve or of a control valve can be calculated using equation (14), Table 1. It can be seen that changes in the solids mass flow M·S and in the gas mass flow M·F influence the current length of Läq,o. In order to maintain a uniform distribution despite any occurring changes in load, the drag coefficient (Ao) of the valve would have to be adapted to suit the respective conditions by adjusting the cross-section of the opening Ao. However, according to equation (14) one exception to the above rule is a change in load during which the ratio (M·S/M·F) = μ is kept constant, because this does not change Läq,o. Other approaches to describing the pressure drop behaviour of valves produce comparable results.
The above considerations imply that it is best to balance the feed piping by installing straight, horizontal piping elements and/or pipe bends with any desired deflection angle.
The described process can be used for the designing of reactor feeding systems with a specified, fixed unequal distribution of the solids mass flows M·S,j. Furthermore, it is possible to compensate for any locally fixed unequal distribution of the reactor pressure pC.
Überschrift Bezahlschranke (EN)
tab ZKG KOMBI EN
This is a trial offer for programming testing only. It does not entitle you to a valid subscription and is intended purely for testing purposes. Please do not follow this process.
This is a trial offer for programming testing only. It does not entitle you to a valid subscription and is intended purely for testing purposes. Please do not follow this process.
tab ZKG KOMBI Study test
This is a trial offer for programming testing only. It does not entitle you to a valid subscription and is intended purely for testing purposes. Please do not follow this process.
This is a trial offer for programming testing only. It does not entitle you to a valid subscription and is intended purely for testing purposes. Please do not follow this process.
