Wärmeerzeugung für den thermischen Trocknungsprozess in der Industrie
GRECO Combustion Systems Europe GmbH1 Heißgaserzeugung mit Kohle
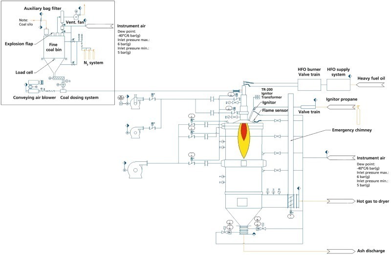
Wenn feste Brennstoffe wie Kohle verbrannt werden, ist die Brennkammer größer im Vergleich zur Feuerung mit Öl und Gas, weil eine längere Verweilzeit zum Ausbrand der Kohlepartikel benötigt wird. Natürlich erfordert die Verbrennung von Kohle mit Asche als Verbrennungsrückstand eine vertikale Anordnung der Brennkammer, um den Teil der Asche, der nicht mit dem Heißgasstrom mitgerissen wird, zu entfernen. Daher sind die Installationskosten höher als bei horizontal angeordneten Brennkammern. Trotzdem gleichen die Einsparungen an Brennstoff die erhöhten Installationskosten mehr als aus.
Natürlich ist die Verbrennung von Kohle schwerer zu kontrollieren als die von Öl und Gas. Drei Jahrzehnte Forschungsarbeiten und praktische Erfahrungen bei Greco haben aber zu einer Konstruktion geführt, die einen sicheren Betrieb mit Heißgasen für die meisten Trocknungsverfahren gestattet.
2 Angepasste Anlagen für Feststoffverbrennung
Sehr hohe Temperaturen in der Nähe des Brenners, um eine hohe Strahlung des Brennstoffs und der feuerfesten Auskleidung für die Verflüchtigung und Vergasung der Kohlenteile zu erzeugen. Ein schneller Temperaturanstieg (Geschwindigkeit der Brennstoffreaktion) und eine hohe Strahlung gestatten eine schnelle Zündung der festen Brennstoffe. Das schafft eine stabile Flammenbildung.
Eine hohe Temperatur im oberen Drittel der Brennkammer steuert die Brenndauer und damit die Flammenlänge. Es ist wichtig, dass der Schmelzpunkt und die Asche-Schmelztemperatur höher als die der umgebenden Bedingungen sind, um Anbackungen der geschmolzenen Asche auf den feuerfesten Steinen zu vermeiden.
Im mittleren bis unteren Teil der Brennkammer wird normalerweise die Mischluft (bzw. Verdünnungsluft) in den Verbrennungsprozess eingebracht, um die erforderliche Austrittstemperatur des HGE zu steuern. Der Mischbereich für die Mischluft, die normalerweise kälter ist als die Temperatur des Verbrennungsgases, muss so konstruiert sein, dass eine längere Ausbrandzeit vermieden wird.
Die Mahlfeinheit des Brennstoffs hängt hauptsächlich von dessen Eigenschaften als flüchtige Substanz ab und beeinflusst die Flammenlänge und damit die Konstruktionslänge der Brennkammer. Es sollte vermieden werden, dass sich der Ausbrand der Flamme in den Leitungen zum Wärmeverbraucher (z. B. Kohlenmühle) fortsetzt. Mahlanlagenspezialisten unterstützen die Definition und Vorbereitung der erforderlichen Mahlspezifikation.
3 Inbetriebnahme
Der Sauerstoffgehalt im Rauchgas kann für einen Bereich zwischen 3 % und 8 % ausgelegt und in diesem während des Betriebs eingestellt werden, speziell wenn eine Kohlenmühle an den HGE angeschlossen ist, um heißes Inertgas für den Explosionsschutz einzusetzen.
Die gesamte Anlage (Austrittstemperatur des HGE, Temperaturüberwachung, Brenner, Brennstoffsteuerung und -dosierung) wird durch eine ausfallsichere SPS gesteuert, um einen sicheren Betrieb zu erreichen und die Sicherheitsnormen von DIN, GOST bzw. NFPA einzuhalten.
