Road soil cement with complex additives based on organosilicon compounds and electrolytes
The effectiveness of additives based on octyltriethoxysilane and sodium hydroxide for achieving soil cement strength and hardness was discovered by using mathematical modelling and the application of experiment planning methods. The way that the physical and mechanical properties of the material depends on the cement consumption and the composition and addition level of the complex additive was observed, as was the resulting effect of the complex additives on the durability of the soil cement used for roads. The water absorption by the material and its freeze-thaw resistance under various conditions was studied. The dependence of the soil cement fatigue strength on the number of applications of the intended load was determined, as was the role of the complex additives in improving the parameters being studied.
1 Introduction
One of the most effective methods of applying a soil road pavement course is to strengthen it with cement. Improving the quality of soil cement is a pressing problem that can be successfully solved by modification with chemical additives that affect the structure and properties of the soil cement. Studies have shown that this problem can be solved by using organosilicon compound additives. These provide hydrophobic materials and electrolytes that impart high strength characteristics to the soil cement.
The development of effective materials for structural pavement courses by...
1 Introduction
One of the most effective methods of applying a soil road pavement course is to strengthen it with cement. Improving the quality of soil cement is a pressing problem that can be successfully solved by modification with chemical additives that affect the structure and properties of the soil cement. Studies have shown that this problem can be solved by using organosilicon compound additives. These provide hydrophobic materials and electrolytes that impart high strength characteristics to the soil cement.
The development of effective materials for structural pavement courses by strengthening the soil was studied by various scientists. It was noted that one of the most effective, cost-effective and universal methods is to strengthen the soil with cement that provides the required physical and mechanical properties [1, 2, 3].
It is known that frost resistance is one of the factors that affects the quality and durability of soil cement. However, studies have shown that even when the soil has been treated with cement it loses a significant amount of its strength in the first few freeze-thaw cycles [1, 2]. Scientists have therefore attempted to modify the soil cement by introducing various additives to improve its strength properties and freeze-thaw resistance.
Analysis of the literature showed that electrolyte additives are an effective means of improving the physical and mechanical properties of soil cement, particularly its strength, and can also have a direct impact on the cement and the products of hydrolysis and hydration. It was noted that the organosilicon compounds (OSC) used for modifying building materials, including soil cements, attach themselves to the material surface and form hydrophobic pore walls and capillaries [4, 5].
One of the most promising solutions to the problems of soil cement strength, freeze-thaw resistance and durability is therefore the use of organosilicon compound additives and electrolytes that hydrophobize the materials of a soil cement. They impart high strength characteristics. However, it is not enough to study the effect of organosilicon compound additives in combination with electrolytes on the physical and mechanical properties and the durability of a specific soil cement structure. The aim of the study was therefore to develop the influence of additives based on complex organosilicon compounds and electrolytes on the quality, structure and durability of soil cements used for road construction.
The main components used for the research were:
soil: clay loam, containing quartz (70.3 %), feldspar (26.9 %), clay minerals (2.8 %)
cementitious material: CEM I 42,5 N cement
organosilicon compounds: octyltriethoxysilane (OTES), polyethylhydrosiloxane (PEHS), potassium methylsiliconate (MSP), phenylethoxysiloxane (PES), a mixture of tetraethoxysilane and siloxanes (MTS)
electrolytes: sodium hydroxide (SH), sodium carbonate (SC), sodium sulfate (SS), calcium chloride (CC)
The study determined the effectiveness of the addition of organosilicon compounds in achieving an optimum moisture content Wopt (%), a maximum density ρmax (g/cm3), a ultimate compressive strength Rstr (MPa), a ultimate tensile strength Rtens (MPa) and the coefficient of freeze-thaw resistance Kfrz (the ratio of the sample strength after repeated freezing and thawing to the sample strength before the test) of the soil cement after 15 freeze-thaw cycles. The results are shown in Table 1.
It was found that, in general, all the additives studied increased the freeze-thaw resistance of the soil cement. The best results were achieved with the introduction of the OTES additive. Using the MSP additive increased the freeze-thaw resistance and strength. The OTES was selected for further research as an integrated additive component on the basis of the results of the most effective influence on the freeze-thaw resistance of the soil cement.
Electrolyte additives were studied in order to select the second component of the additive to enhance the soil cement strength. These were sodium hydroxide (SH), sodium carbonate (SC), sodium sulfate (SS), calcium chloride (CC). The use of electrolytes has a positive impact on the physical and mechanical properties and standard sealing performance. The research results for the optimum moisture content, maximum density and physical and mechanical properties of the soil cements with electrolytes are shown in Table 2.
It was found that all the electrolyte additives investigated had a great impact on the soil cement strength. The best indicators of strength were achieved by the introduction of the SH additive. The SH electrolyte was therefore selected for further research as a strength-increasing component of the additive.
The complex additive was obtained on the basis of the theoretic analysis and experimental investigations into improving the strength and hardness of soil cement. It consisted of the OTES organosilicon compound and the SH electrolyte.
Optimization of the modified road soil cement was carried out to characterize the effect of complex additives on the material strength and hardness. The optimization was carried out by implementing a planned three-factor experiment, a second-order Box-Wilson procedure. The initial independent variables were determined by applying the following factors:
cement content (8 – 12 %)
OTES organosilicon compound (0.01 – 0.05 %)
SH electrolyte (0.05 – 0.25 %) by weight of the soil
The ultimate compressive strength (Rstr), the tensile strength (Rtens) and the coefficient of freeze-thaw resistance (Kfrz) of the soil cement were selected for the assessment. According to the regulations of the Russian Federation the soil cement for road pavements should have values of Rstr of at least 4.71 MPa, Rtens = 0.94 MPa and Kfrz = 0.75 for an average winter temperature of -15° C, taking into account the technological coefficient of 0.85 (that allows for the deviation of the material strength from the laboratory values).
Graphical interpretation (Figure 1) of the results of a mathematical model shows the influence of the components of the complex additives on the strength and hardness of the soil cement for a cement content of 10 %.
Processing the results of the mathematical planning gives the following relationships:
Rstr = 2.72425 – 0.17625X1 + 4.80X2 + 7.190X3
– 0.02925X12 – 70.00X22 – 17.30X32
+ 0.425X1X2 + 1.00X2X3⇥(1)
Rtensle = 1.21875 + 0.132X1 + 1.825X2 + 0.885X3
+ 0.00925X12 – 20.00X22 – 1.80X32 – 0.025X1X2 – 0.005X1X3 + 0.50X2X3⇥(2)
Kfrz = 0.18975 + 0.05325X1 + 13.275X2
+ 0.025X3 – 0.001X12 – 147.50X22
+ 0.10X32 – 0.10X1X2 + 0.005X1X3
– 0.50X2X3⇥(3)
X1 – cement content
X2 – content of OTES
X3 – content of SH
The equations show that the strength increases with increasing addition level of the electrolyte. The strength and frost resistance are initially increased and then reduced with increasing addition of the organosilicon compound. The lowering of the strength and frost resistance at addition levels in excess of the optimum can apparently be explained by the blocking action of the organosilicon compound on the cement particles [4, 6].
Mathematical analysis of the experiments indicated that the required strength and frost resistance are obtained at a cement content of 10 % and addition levels of OTES = 0.03 %, and of SH = 0.1 % by weight of the soil. The compressive strength of the soil cement was 4.75 MPa, the tensile strength = 0.96 MPa and the coefficient of frost after 15 freeze-thaw cycles = 0.86. This composition was used to study the effect of complex additives on the structure and durability of the soil cement [7].
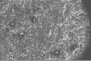
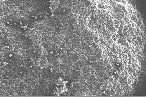
The study of samples of internal chips of the soil cement showed that their surfaces consist of densely packed, randomly arranged, elongated particles of micron size, and individual pores and isometric grains. The surface texture was cryptocrystalline, pelitomorphic, with no tendency to scaling. The granular composition was homogeneous, with particles sizes not exceeding 100 μm. A minimal quantity of conglomerated soil aggregates was observed in the soil cement sample with the complex additive when compared with the sample without additives. This was due to the formation of a dense and homogeneous structure and was clearly a result of the dispersive action of the complex additives on the soil, which increased the availability of the soil surface to the incorporation of cement, thereby also increasing the extent of their interaction.
The water absorption by the soil cement was determined by two methods. The first method measured the water absorption by weight and by volume, and was used to determine the semi-open and closed porosity. The second method measured the water absorption under low pressure (“tube method”).
The experimental data presented in Table 3 show that the maximum porosity occurred with the control soil cement composition without additives. This soil cement had a higher optimum moisture content that contributed to the formation of a porous capillary structure. When the water absorption raises the content of capillary pores the soil cement does not achieve a high frost resistance. The characteristics of the soil cement with the complex additive are significantly different from those of the control composition. The modified material is characterized by a reduction of the water absorption by 6.7 times by weight and of the open capillary porosity by 6.6 to 3.5 times, and an increase in the closed porosity by 1.8 times.
“The tube method” can be used to determine the hydrophobicity of materials that are constantly exposed to atmospheric precipitation since it characterizes the hydrophobicity not only at the surface but also in terms of material volume. Figure 3 shows that the introduction of a complex additive significantly reduces the absorption of water at low pressure. The control soil cement composition sample absorbed 5.0 ml of water in a period of six hours while 0.1 ml of water was absorbed by the soil cement sample containing the complex additive during the same period. This figure reached 0.3 ml after 24 hours from the beginning of the test.
It is known that soil cement used in pavement courses is constantly exposed to the action of freeze-thaw agents. The agents used nowadays are mainly salt solutions of NaCl and CaCl2 or their mixtures with sand. 5 % sodium chloride was therefore chosen to study the effect of complex additives on the freeze-thaw resistance in a freezing and thawing saturation medium. The results of the study are shown in Figure 4.
The frost resistance of soil cement samples modified with complex additives achieved the F15 level and the coefficient of frost resistance increased from 0.45 – 0.60 to 0.83 – 0.88 depending on the saturation and thawing environment.
In the study with calcium chloride solution as the freeze-thaw saturation medium a very small decrease of strength was observed for the soil cement both with and without additives. This is possibly because the salt solution penetrates into the soil cement structure during saturation and thawing and has a lower freezing temperature, which affects the strength retention of the material after a frost cycle. The presence of calcium salts in solution also decreases the rate of leaching of calcium hydroxide, which reduces the loss of strength of the mortar.
However, a decrease in strength was observed in the investigation of the frost resistance with sodium chloride as the saturation/thaw medium. This may be because the constant exposure to the salt solution increases the leaching of CaO.
The studies have shown that the frost resistance of soil cement containing complex additives varies slightly in different saturation and thawing media due to its high hydrophobicity. The reduction of water absorption with the introduction of complex additives increases the frost resistance of the soil cement. This can be explained by the fact that the electrolyte in the complex additive minimizes the optimum moisture content, and therefore the open porosity, and the organic silicon compound repels the pore walls and soil particles, which provides the semi-closed “reserve” pores that relieve the internal stresses when ice is formed.
The road surfaces experience dynamic effects from the different moving loads [8]. Mechanical loads break down the molecular bonds, resulting in cracks and the destruction of the structure of the material. The variation in compressive strength after 4000 applications of the design load was used to establish the soil cement endurance when exposed to moving loads. The test results are shown in Figure 5.
Figure 5 shows that after 40 000 load applications the strength of the soil cement control composition samples fell by 21 % as compared with 13 % for the samples containing the complex additive.
The studies have shown that the introduction of complex additives into the soil cement reduced the negative impact of repeated cyclical stressing and increased the endurance. The research by U.M. Bazhenov showed that materials with good adhesion between aggregate and cement matrix have greater endurance, increased uniformity and fewer structural defects.
Conclusions
The most effective components for the complex additive were chosen based on analysis of the literature and experimental validation. The composition of the modified soil cement to be used for roads was optimized. The optimum composition of the soil cement with complex additive is: soil = 100 %, cement = 10 % by weight of the soil, octyltriethoxysilane = 0.03 % by weight of soil and sodium hydroxide = 0.1 % by weight of soil.
Introduction of the complex additive into the soil cement increases the compressive strength by 31.6 %, the tensile strength by 35.2 % and the frost resistance by 62.3 %.
The increased strength and hardness of the material with the introduction of the complex additive is provided by the formation of a dense and homogeneous structure. This is characterized by a reduction in the capillary porosity from 15.3 % to 2.3 % and an increase in the partially closed porosity from 7.6 % to 13.7 %, as well as by the high hydrophobicity due to the decrease in water absorption from 7.4 % to 1.1 % by weight and from 5.0 ml to 0.1 ml under low pressure.
It was found that the complex additive increased the accessibility to the soil surface through insertion of the cement and dispersion of the soil particles, which results in the formation of a dense and homogeneous structure.
The introduction of complex additives increases the durability of the soil cement. When exposed to frost the soil cement samples modified with the complex additive achieved the F15 level and the coefficient of frost resistance increased from 0.45 – 0.60 to 0.83 – 0.88, depending on the saturation and thawing environment. Introduction of the complex additive into the soil cement also reduced the negative effect of multiple cyclical stressing on the compressive strength from 21 % to 13 %, which increased the endurance.
Überschrift Bezahlschranke (EN)
tab ZKG KOMBI EN
This is a trial offer for programming testing only. It does not entitle you to a valid subscription and is intended purely for testing purposes. Please do not follow this process.
This is a trial offer for programming testing only. It does not entitle you to a valid subscription and is intended purely for testing purposes. Please do not follow this process.
tab ZKG KOMBI Study test
This is a trial offer for programming testing only. It does not entitle you to a valid subscription and is intended purely for testing purposes. Please do not follow this process.
This is a trial offer for programming testing only. It does not entitle you to a valid subscription and is intended purely for testing purposes. Please do not follow this process.
