Process and device for cement clinker
production
(22) 08.04.2014
(43) 29.09.2017
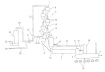
(57) Summary of the corresponding patent WO2014170729 (A1): In a cement clinker production process in which raw mix is preheated with use of the hot exhaust gases from a clinker furnace in a preheater (3) and the preheated raw mix, optionally calcined in a calciner (4), is fired in the clinker furnace (2) to give clinker, where the preheater (3) comprises at least one train from a plurality of cyclone flotation gas heat exchangers (8, 9, 10) through which the furnace exhaust gas passes in succession and in which the raw mix is preheated in stages, a substream of...
(22) 08.04.2014
(43) 29.09.2017
(57) Summary of the corresponding patent WO2014170729 (A1): In a cement clinker production process in which raw mix is preheated with use of the hot exhaust gases from a clinker furnace in a preheater (3) and the preheated raw mix, optionally calcined in a calciner (4), is fired in the clinker furnace (2) to give clinker, where the preheater (3) comprises at least one train from a plurality of cyclone flotation gas heat exchangers (8, 9, 10) through which the furnace exhaust gas passes in succession and in which the raw mix is preheated in stages, a substream of the furnace exhaust gas is diverted in such a way that only a residual stream of the furnace exhaust gas is utilized for preheating the raw mix.
(71) Holcim Technology Ltd. (CH)
