Collaborative engineering for the cement industry
The planning process starts in each case with a plant concept, for example, in the form of flow charts or a hall plan or overview plan. These plans contain all of the information which determines the further planning for all assembly sections: in process engineering, electrical and automation engineering or for the control systems. This requires a consistent, integrated data concept that records changes centrally and always provides up-to-date information to all involved.
The solution for these pioneering engineering requirements offers a virtual plant model which combines processing and automation engineering with a common database and constant consistency of the different perspectives for data only entered once. Aucotec AG has implemented this in its database-driven software platform “Engineering Base” (hereinafter referred to as EB). A major focus of the development was to offer a simple, clear and secure operation even for highly complex requirements. According to the software company, customers repeatedly confirm that this has been achieved, among others the Holcim (Deutschland) AG. After several years of being in use there, the Holcim group is now introducing the system throughout the group for current and future projects.
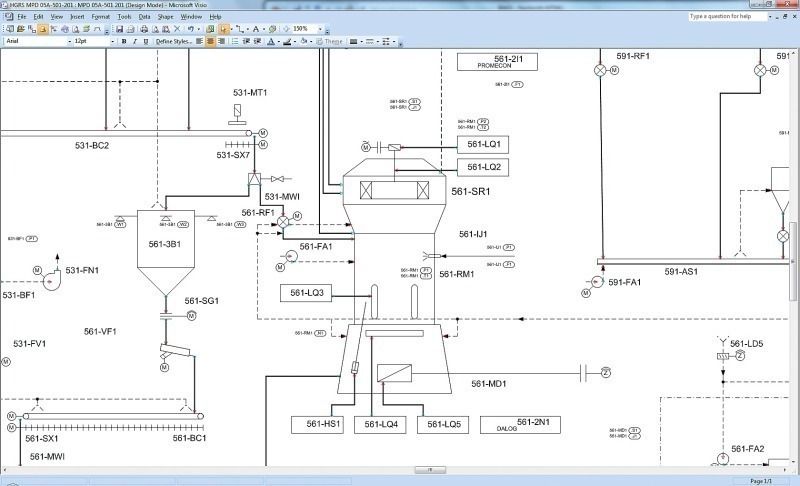
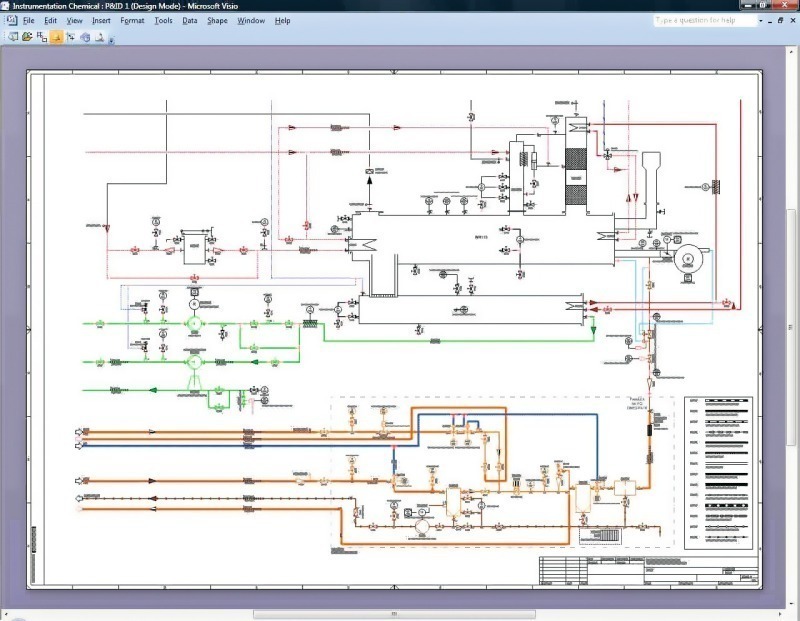
The architecture and scalability of EB create openness for integration and connections of all types for every company IT, every workflow and every engineering culture over the entire life cycle of a plant. The system covers all planning steps in a multidisciplinary and cooperative manner from the first plant design and calculations via the highly convenient P&ID/flowsheet creation and the device specifications up to the assignment and wiring of machine and plant components. The data structure enables plants, central facilities or equipment to be structured at any hierarchical depth, even before detailed graphs exist. Furthermore, it is possible to work on the objects in a purely tabular manner, which is an important plus for mass data handling.
Faster order processing, particularly for new and conversion planning, is provided by a typical-oriented approach: standard templates greatly accelerate the detailing of the measurement tags including the graphic plans. All devices, cables and I/Os of the control system are assigned automatically by means of the plant structure.
Even the precise tender of the immense diversity of components presents an enormous challenge. With the Aucotec solution, the company issuing the invitation to tender can generate a tender project from a flow sheet at the click of a button, which the supplier can read in his own EB database in order to fill the data model there with his information. Finally, the “Tender Manager” compares every single attribute of the recorded object data. In a matter of minutes, he indicates the differences – which would otherwise be identified, sorted and evaluated in weeks of work – without changing format or tools, and without paper lists.
The suppliers also benefit significantly: A pilot customer who used EB and its tendering support immediately achieved a saving in time of 20 %. This procedure was developed for Holcim and is already in use there, but it can also be used in any other industry.
The openness of the Aucotec system to other industry standard technical systems is reflected, for example, in the linking of 3D images, which Aucotec has developed together with Unitec Informationssysteme GmbH. A universal communications platform offers the possibility of linking the main 3D systems for modelling process plants with the two dimensional flow chart and the associated electrical detailed engineering. Thus all those involved in the development process of a plant work directly with the information of other disciplines – also at different locations. Supplier data can also be integrated without having to purchase the relevant authoring tool.
Furthermore, EB offers the cement industry not only the basis for complete hardware planning: it also facilitates determination of the software modules required for each measurement (and actuator) tag. Holcim (Deutschland) AG achieved an immense saving of time of several weeks due to this consistency. The definitions integrated in engineering are transmitted via a specific export function to the respective guide system, as the Holcim example has shown. The PCS7 that was in use there was able to be integrated by EB during the parameterization and group assignment, which then led to the automatic updating of connections.
The latest development with Aucotec‘s EB is the efficient and secure use of cloud and apps for engineering and maintenance. The system can be offered and managed in a private cloud as an “Infrastructure-as-a-Service” (IaaS) due to its three-layer architecture. This solution is supplemented by a new mobile data access via app to the data produced in EB. Everything is possible from the “dashboard” project overview to maintenance applications. The current plant data from the EB database can be retrieved directly from a mobile device, regardless of whether it is assembly instructions or cable details. Maintenance information is entered directly into the EB database.
Assistance in the selection of standard modules for projects
Attributes for the parameterization of the modules
Measurement and actuator functions in the plant hierarchy and pure logic functions
Comfortable maintenance support: easy access to the as-built data
Optimum support of all server platforms
Simultaneous handling of the same project by multiple users across multiple locations
Knowledge linked to all objects involved (electric, pneumatic or process engineering)
Management of authoring systems
Document-centred work
Multi-user support
Unlimited connectivity – whether a mobile notebook/fixed individual workstation, SME solution or server farm with hundreds of users (also WAN)
