Cement kiln bypass emissions reduction
(22) 09.09.2021
(43) 17.03.2022
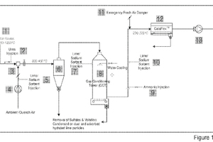
(57) A bypass system and a process for reducing the formation of ammonium sulphate and ammonium bisulphate in off gases that have exited a cement rotary kiln utilized in a cement making process in conjunction with a calciner that‘s located downstream from the rotary kiln in the direction of gas flow, while concurrently reducing the NOx and volatile content from said off gases, the system comprising a kiln bypass takeoff duct (1) to direct a portion of the kiln off gases having a temperature in the range of from about 950 °C to about 1250 °C into a bypass duct and...
(22) 09.09.2021
(43) 17.03.2022
(57) A bypass system and a process for reducing the formation of ammonium sulphate and ammonium bisulphate in off gases that have exited a cement rotary kiln utilized in a cement making process in conjunction with a calciner that‘s located downstream from the rotary kiln in the direction of gas flow, while concurrently reducing the NOx and volatile content from said off gases, the system comprising a kiln bypass takeoff duct (1) to direct a portion of the kiln off gases having a temperature in the range of from about 950 °C to about 1250 °C into a bypass duct and away from entering the calciner; an injection nozzle (2) to insert a first reducing agent into the so-directed off gases in the bypass duct to begin the reduction of NOx to N2 in said off gases; a first cooling apparatus (3) comprising a gas quenching/ mixing chamber for mixing the directed off gases with cooling gas (4) to cool the off gases to a temperature in the range of about 300 °-450 °C, and a sorbent injection (5) to scrub S02 and S03 from the withdrawn off gases and condense volatiles; a dust separating apparatus (6) to remove dust containing condensed sulfates and volatiles and adsorbed sorbent from said cooled off (…).
(71) FLSmidth A/S, Vigerslev Allé 77, 2500 Valby (DK)
