• DE
  • EN
  • Willkommen!

    Melden Sie sich an, um auf alle Inhalte zuzugreifen.

    Anmelden Passwort vergessen Registrieren
Zement Kalk Gips
  • Home
All Haver & Boeker OHG
All Haver & Boeker OHG
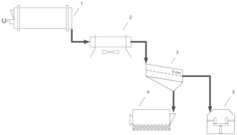
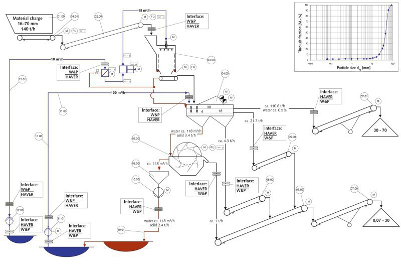
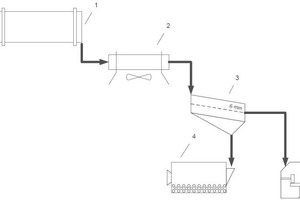
Illustration: Thierry Bogaert*
Illustration: Thierry Bogaert*
  • Facebook
  • X Twitter
  • XING
  • LinkedIn
News
  • Journal Transfer Announcement of ZKG International
  • “Best CO2 Utilisation 2025”: Celebrating Pioneering Innovation in Carbon Capture and Utilisation Technologies
Content Management by InterRed
techscience.com