Method for producing cement clinker
(22) 02.11.2016
(43) 18.05.2017
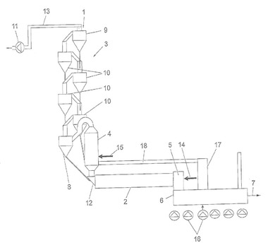
(57) In the method according to the invention, the cement clinker is produced by preheating, pre-calcinating and burning raw cement meal, wherein a portion of the raw cement meal is formed by a calcium-containing correction component produced in the following manner: raw cement meal is preheated in a suspension-floating heat exchanger to form hot meal and same is at least partially calcinated; a free lime contained in the hot meal is removed via the addition of water; after removal of the free lime, the hot meal is subjected to an attrition milling in the form of...
(22) 02.11.2016
(43) 18.05.2017
(57) In the method according to the invention, the cement clinker is produced by preheating, pre-calcinating and burning raw cement meal, wherein a portion of the raw cement meal is formed by a calcium-containing correction component produced in the following manner: raw cement meal is preheated in a suspension-floating heat exchanger to form hot meal and same is at least partially calcinated; a free lime contained in the hot meal is removed via the addition of water; after removal of the free lime, the hot meal is subjected to an attrition milling in the form of a grinding reduction, such that a first fraction with an increased calcium content and a second fraction with an increased silicon content is formed, wherein the first fraction has a smaller grain size and a lesser density than the second fraction, and the first fraction is separated from the second fraction and used as calcium-containing correction components in the production of the cement clinker.
(71) thyssenkrupp Industrial Solutions AG, ThyssenKrupp Allee 1, 45143 Essen (DE)
(84) ARIPO (BW, GH, GM, KE, LR, LS, MW, MZ, NA, RW, SD, SL, ST, SZ, TZ, UG, ZM, ZW), Eurasian (AM, AZ, BY, KG, KZ, RU, TJ, TM), European (AL, AT, BE, BG, CH, CY, CZ, DE, DK, EE, ES, FI, FR, GB, GR, HR, HU, IE, IS, IT, LT, LU, LV, MC, MK, MT, NL, NO, PL, PT, RO, RS, SE, SI, SK, SM, TR), OAPI (BF, BJ, CF, CG, CI, CM, GA, GN, GQ, GW, KM, ML, MR, NE, SN, TD, TG)
