Apparatus for producing cement clinker
(22) 27.05.2015
(43) 03.12.2015
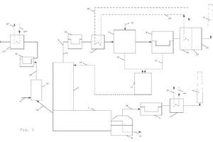
(57) Apparatus for producing cement clinker, comprising a kiln (3) for calcining raw materials to form cement clinker, comprising a preheating stage (2) for preheating the raw materials in counterflow to kiln off-gases, comprising a clinker cooler (4) for cooling the cement clinker, comprising a denitrification stage (23) for denitrificating kiln off-gases, comprising a heat exchanger (25) for heating the kiln off-gases upstream of the denitrification stage (23) by heat exchange with a heat exchange medium, comprising at least one further heat exchanger (27’, 27”,...
(22) 27.05.2015
(43) 03.12.2015
(57) Apparatus for producing cement clinker, comprising a kiln (3) for calcining raw materials to form cement clinker, comprising a preheating stage (2) for preheating the raw materials in counterflow to kiln off-gases, comprising a clinker cooler (4) for cooling the cement clinker, comprising a denitrification stage (23) for denitrificating kiln off-gases, comprising a heat exchanger (25) for heating the kiln off-gases upstream of the denitrification stage (23) by heat exchange with a heat exchange medium, comprising at least one further heat exchanger (27’, 27”, 27”’) for heating the heat exchange medium by heat exchange with kiln off-gases or exhaust air of the clinker cooler (4), wherein the heat exchanger (25) is connected to the further heat exchanger (27’, 27”, 27”’) by way of a line (28’, 29’; 28”, 29”; 28”’, 29”’) for the heat exchange medium, wherein a hot gas filter (26, 5, 19) is arranged upstream of the further heat exchanger (27’, 27”, 27”’) in the direction of flow.
(71) Scheuch GmbH, Weierfing 68, 4971 Aurolzmünster (AT)
(84) ARIPO (BW, GH, GM, KE, LR, LS, MW, MZ, NA, RW, SD, SL, ST, SZ, TZ, UG, ZM, ZW), Eurasian (AM, AZ, BY, KG, KZ, RU, TJ, TM), European (AL, AT, BE, BG, CH, CY, CZ, DE, DK, EE, ES, FI, FR, GB, GR, HR, HU, IE, IS, IT, LT, LU, LV, MC, MK, MT, NL, NO, PL, PT, RO, RS, SE, SI, SK, SM, TR), OAPI (BF, BJ, CF, CG, CI, CM, GA, GN, GQ, GW, KM, ML, MR, NE, SN, TD, TG)
