A design for an efficient symbiotic energy plant
(22) 13.09.2017
(43) 20.03.2019
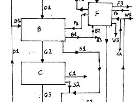
(57) A power station is fueled by fossil fuels or biomass increases efficiency and reduces harmful emissions. Electrolysis may separate water into hydrogen and oxygen, with a calcium carbonate (CaCO3) slurry remaining. Renewable energy, such as solar energy, may power the electrolysis. The oxygen may be used to increase combustion efficiency in the power station’s main furnace. The hydrogen may react with the carbon dioxide (CO2) produced by the main furnace, in a Sabatier reaction, to make methane (CH4), to provide further fuel for burning. The calcium carbonate...
(22) 13.09.2017
(43) 20.03.2019
(57) A power station is fueled by fossil fuels or biomass increases efficiency and reduces harmful emissions. Electrolysis may separate water into hydrogen and oxygen, with a calcium carbonate (CaCO3) slurry remaining. Renewable energy, such as solar energy, may power the electrolysis. The oxygen may be used to increase combustion efficiency in the power station’s main furnace. The hydrogen may react with the carbon dioxide (CO2) produced by the main furnace, in a Sabatier reaction, to make methane (CH4), to provide further fuel for burning. The calcium carbonate may be reacted with sulfur dioxide (SO2) to form calcium sulfate (CaSO4), which may be used for cement.
(71) John Jackson, 17 Bowen Road, Eastwood, Rotherham, S65 1LH, United Kingdom
