3D printing of components and structures with BCT cement
(22) 10.09.2016
(43) 22.02.2018
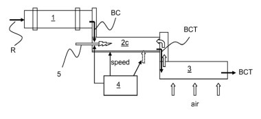
(57) The present invention relates to the use of belite calciumsulfoaluminate ternesite cement for producing components and structures by means of 3D printing and a method for producing components and structures by the 3D printing of belite calciumsulfoaluminate ternesite cement.
(71) HeidelbergCement AG (DE)
(22) 10.09.2016
(43) 22.02.2018
(57) The present invention relates to the use of belite calciumsulfoaluminate ternesite cement for producing components and structures by means of 3D printing and a method for producing components and structures by the 3D printing of belite calciumsulfoaluminate ternesite cement.
(71) HeidelbergCement AG (DE)
