Cement manufacturing plant and method
of operating a cement manufacturing plant
of operating a cement manufacturing plant
(22) 31.11.2022
(43) 08.06.2023
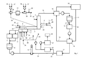
(57) A cement manufacturing plant comprises a raw meal mill, at least one preheater string, a clinker furnace and a clinker cooler comprising a first section and a second section, wherein preheater exhaust gas recirculation means are provided for recirculating exhaust gas leaving the at least one preheater string into the first section of the clinker cooler, and wherein the cement plant is configured for switching between an air operation mode and an oxyfuel operation mode, comprising first switching means for connect* either a source of air or a source of oxygen...
(22) 31.11.2022
(43) 08.06.2023
(57) A cement manufacturing plant comprises a raw meal mill, at least one preheater string, a clinker furnace and a clinker cooler comprising a first section and a second section, wherein preheater exhaust gas recirculation means are provided for recirculating exhaust gas leaving the at least one preheater string into the first section of the clinker cooler, and wherein the cement plant is configured for switching between an air operation mode and an oxyfuel operation mode, comprising first switching means for connect* either a source of air or a source of oxygen rich gas to a burning zone of the clinker furnace burner, and second switching means for either establishing or separating a connection of the preheater exhaust gas recirculation means to the first section of the clinker cooler.
(71) Holcim Technology Ltd., 6300 Zug (CH)
